品番:PBV

【取扱終了】ポケットレスボールバルブ【PBV】

バルブ内に液が溜まらないポケットレス構造。ヘルール式の流体用ボールバルブです。
特長
サイズ表
Q&A
カスタマイズ事例

※申し訳ございませんが、本製品は取扱いを終了しております。

代替品として、下記製品をご案内しております。

【BV】手動二方ボールバルブ
BV-2S製品画像

流量調節や開閉が容易なヘルール接続のボールバルブです。

詳細を確認する
【SPV-PH-S】ゼロポケットバルブ
SPV-PH-1.5S製品画像

シリコンチューブで接液部を覆い、残液や異物の溜まりが無く、洗浄時間短縮に優れた衛生的なバルブです。

詳細を確認する

【PBV】ポケットレスボールバルブの特長

  • 弁(ボール)がPTFEで包まれており、本体と弁の間に液が入り込みません。
  • 工具不要で分解・洗浄が行え、サニタリー性に優れています。
  • オールステンレス製のため耐食性や耐久性に優れています。
  • ワンタッチで開閉できる手動レバー式です。

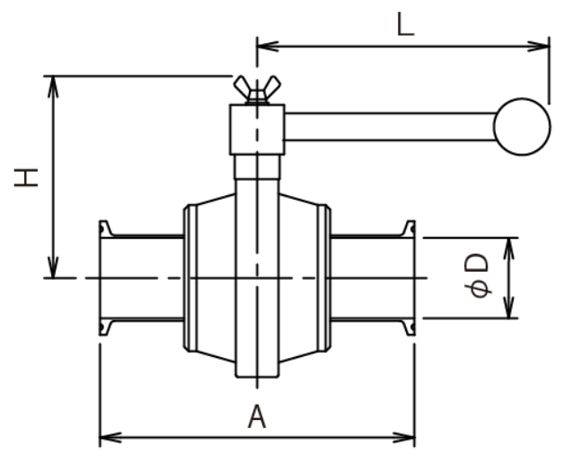
寸法参考図

サイズ表

型式 ヘルール D L A H
PBV-1S 1S 23 130 110 84
PBV-1.5S 1.5S 35.7 150 140 98
PBV-2S 2S 47.8 180 164 113

ラインナップにないサイズのバルブが欲しい

お問い合わせください。

自動式のバルブはありますか?

ございます。詳細はお問い合わせください。

屋外で使っても大丈夫ですか?

使用いただけます。

この他にもボールバルブの取り扱いはありますか?

手動二方ボールバルブ【BV】があります。

粉体用のバルブはありますか?

粉体用としてシャッター弁(両ヘルールタイプ)【SHB】チョークバルブ【MFV-F】等がございます。

お客様の要望に合わせた装置の提案を致します

MONOVATEでは貯蔵容器の設計もご対応します!お客様の用途や業界のニーズに合わせて設計段階から緊密にコミュニケーションをとりながら、最適な形状や材質、機能を提案し実現します。当社の豊富な経験と実績を活かし、業務効率や製品の安全性を最優先に考慮した特注の貯蔵容器をお届けいたします。どんな要望もお気軽にご相談ください。

同カテゴリーのカスタマイズ製品事例

  • 目盛付きボールバルブ【採用事例】
    バルブの開度を標準化

    ○製薬メーカー様 採用事例
    薬の造粒工程で液を滴下する際に、液量を調整する手動式ボールバルブです。
    作業標準化のため開閉角度がわかる目盛板を追加しました。

  • 2方向排出用タンク底バルブ【採用事例】
    二方向への排出のためのバルブ

    製薬メーカー様納入

    ○液体の排出に使われる、ダイヤフラム式タンク底バルブのオーダーメイド事例です。

    ・通常は排出口が1方向にしかありませんが、客先にて2方向への排出用途が有るため、このバルブでは2方向に排出できるようにしています。

ユーザーレビュー

この商品に寄せられたレビューはまだありません。