製品仕様
容器本体…SUS304
パッキン… シリコンゴム【PQA】(食品衛生法適合品)
●表面処理:内外面バフ研磨
●使用条件:大気圧(加減圧不可)
※撹拌機は別売りです。別途お打ち合わせにより、お見積りいたします。
※お手持ちのクランプ式撹拌機に合わせての設計・製作も承ります。
JAN: 4589691013637
○片テーパー型容器【KTT-CTH】をベースに、撹拌機取付用(クランプ止め)の台座や固定座を付けました。
○底板が排出方向に傾斜しており、内容物がスムーズに排出できます。
○排出口が容器の側面にある横排出構造で、配管の取り回しを短く出来ます。
○移動しやすいキャスター脚付タイプ【KTTK-L】もあります。
○ポンプを接続して送液できます。
手動二方ボールバルブが取り付けできます
排出口は変更できます
内容物や配管に合わせて、 排出口の「種類」や「サイズ」を変更できます。 お客様ご指定の継手での製作も可能です。
排出口の変換継手もあります
標準仕様のへルール接続から、ねじ込み継ぎ手へ都度変換できる便利な継手です。
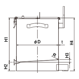
寸法参考図
サイズ表
| 型式 | 容量 | 内径 | 内高 | ドレン高 | 高低差 | 傾斜 | 全高 | ドレン | 板厚 |
|---|---|---|---|---|---|---|---|---|---|
| L | D | H1 | H2 | H3 | 目安 | H4 | サイズ | t | |
| KTTK-36 | 35 | 360 | 380 | 75 | 20 | 3° | 455 | 1S | 1.2 |
| KTTK-39 | 45 | 387 | 420 | 75 | 20 | 3° | 495 | 1S | 1.2 |
| KTTK-43 | 65 | 430 | 480 | 80 | 20 | 3° | 560 | 1S | 1.2 |
| KTTK-47 | 80 | 470 | 500 | 85 | 20 | 2° | 585 | 1S | 1.5 |
| KTTK-47H | 100 | 470 | 620 | 85 | 20 | 2° | 705 | 1S | 1.5 |
| KTTK-565 | 150 | 565 | 650 | 90 | 30 | 3° | 740 | 2S | 1.5 |
| KTTK-565H | 200 | 565 | 930 | 90 | 30 | 3° | 1020 | 2S | 1.5 |
| KTTK-635 | 300 | 635 | 1030 | 90 | 30 | 3° | 1120 | 2S | 1.5 |
| KTTK-77 | 400 | 770 | 930 | 90 | 30 | 2° | 1020 | 2S | 2.0 |
| KTTK-77H | 500 | 770 | 1130 | 90 | 30 | 2° | 1220 | 2S | 2.0 |
- 容器の材質は変更できますか?
できます。SUS316L があります。
- 耐食性が必要なのですが…
フッ素樹脂コーティングの表面処理ができます。
- カタログにないサイズ、容量はできますか?
近い容量の容器の高さを変えて製作いたします。
- ドレンノズルは変更できますか?
サイズ違いやニップル、ソケット等に変更できます。

お客様の要望に合わせた装置の提案を致します
MONOVATEでは貯蔵容器の設計もご対応します!お客様の用途や業界のニーズに合わせて設計段階から緊密にコミュニケーションをとりながら、最適な形状や材質、機能を提案し実現します。当社の豊富な経験と実績を活かし、業務効率や製品の安全性を最優先に考慮した特注の貯蔵容器をお届けいたします。どんな要望もお気軽にご相談ください。
同カテゴリーのカスタマイズ製品事例
- 片テーパー型容器 角棒脚【採用事例】タンク外面の洗浄性を向上

食品添加物メーカー様納入
○洗浄性を重視した、片テーパー型ジャケット容器のオーダーメイド事例です。
- 片テーパー型密閉容器 導電ゴム車輪付架台【採用事例】片テーパー型ステンレス容器と専用架台

化学薬品メーカー様納入
〇片テーパー型ステンレス容器と専用架台のオーダーメイド事例です。
・容器の移動が必要な時に架台に乗せ、所定の場所に運ぶことができます。











