製品仕様
シュート・分割バンド…SUS304
パッキン…シリコンゴム(食品衛生法適合品)
●表面処理:内外面バフ研磨
●使用条件:大気圧
※お使いのドラムに合わせて設計・製作致します。
※ご要望に応じてバルブなど周辺部品の選定も致します。
特長
サイズ表
Q&A
カスタマイズ事例
○他の容器に移し変えることなく、ファイバー・樹脂ドラムに取り付けけて、反転することにより内容物を排出できます。
○ヘルールタイプの排出口でチョークバルブやバタフライバルブ、シャッター弁【SH】が取り付けられます。
○分割バンドで締め付けている為、着脱が簡単に行えます。
○パッキンは食品衛生法適合品ですので、安心してご使用できます。
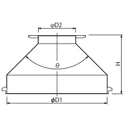
寸法参考図
サイズ表
| 型式 | ドラム容量 | 内径 | 内径 | 高さ | 角度 | ノズル | 納期 | RoHS | 重量 |
|---|---|---|---|---|---|---|---|---|---|
| L | D1 | D2 | H | θ | サイズ | 日 | kg | ||
| HTL-PD-100(樹脂ドラム用) | 100 | 410 | 158 | 240 | 90 | 150A | 40 | ○ | 8.3 |
| HTL-FD-100(ファイバードラム用) | 100 | 426 | 158 | 250 | 90 | 150A | 40 | ○ | 8.7 |
- 容器の材質や排出ノズルは変更できますか?
できます。材質はSUS316L があります。排出ノズルはご希望のノズルを取り付けいたします。
- 耐食性が必要なのですが…
フッ素樹脂コーティングなどの表面処理が選択できます。
- パッキンはシリコン以外の材質がありますか?
フッ素ゴムなどの材質があります。
- ホッパーとコニカルの違いは?
ホッパーはロートやじょうごのような形状、コニカルは円錐形状を指すようですが明確な決まりはなく、弊社ではどちらもホッパーと呼んでいます。
- 持ってる容器に合わせて作ってもらえますか?
ご使用のドラムや容器に合わせて設計・製作いたします。

お客様の要望に合わせた装置の提案を致します
MONOVATEでは貯蔵容器の設計もご対応します!お客様の用途や業界のニーズに合わせて設計段階から緊密にコミュニケーションをとりながら、最適な形状や材質、機能を提案し実現します。当社の豊富な経験と実績を活かし、業務効率や製品の安全性を最優先に考慮した特注の貯蔵容器をお届けいたします。どんな要望もお気軽にご相談ください。
同カテゴリーのカスタマイズ製品事例
- 原料投入ホッパー(内面コーティング)【採用事例】地ビールの原料をスムーズに・残留なく投入できるカスタマイズ

- 粉体の投入計量用 集塵フード付きホッパー【採用事例】秤と組み合わせて集塵しながら投入

化学メーカー様納入
〇粉体の計量に使用する、ステンレスホッパーのオーダーメイド事例です。
・集塵フード付ホッパー 脚付【HTD-L】をベースにしたホッパーと秤、リフター、受け容器を組み合わせて使用します。




