製品仕様
容器本体…SUS304
ツル…SUS304
蓋【SF】…SUS304
●表面処理: 内外面バフ研磨
●使用条件: 大気圧(加減圧不可)
容量:10L、15L、20L、25L
JAN: 4560132187957
○粉体や液体等の一時保管や運搬用として手軽な貯蔵容器です。
○空の状態の時に積み重ねが出来る省スペースタイプの貯蔵容器です。
○ストレート容器に比べ約12%の軽量化になります。
○底の角は、汚れが溜まりにくいR 構造です。
積み重ね(ネスティング)で省スペース化!
テーパータンク専用台車は3種類ございます
適用サイズ:TP-43/TP-47/TP-565/TP-565H ※その他のサイズは特注製作にて承っております。
キャスター金具…SS(クロムメッキ)
キャスター車輪…ゴム車
キャスター金具…SUS304
キャスター車輪…ナイロンウレタン車
ストッパー…6 ナイロン+30%ガラス繊維(43 /47)
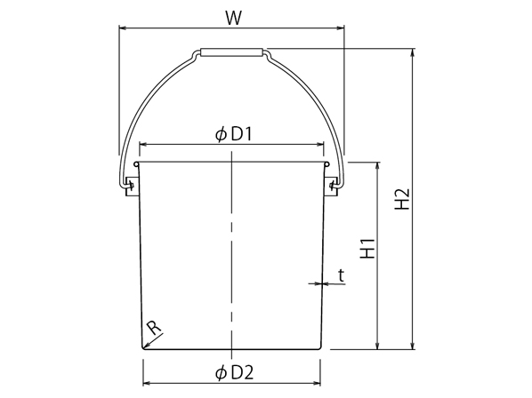
寸法参考図
サイズ表
| 型式 | 容量 | 質量 | 内径 | 内径 | 内高 | 全高 | 最大幅 | 底 | 板厚 | 蓋 | 納期 | RoHS |
|---|---|---|---|---|---|---|---|---|---|---|---|---|
| L | kg | D1 | D2 | H1 | H2 | W | R | t | 日 | |||
| TP-STB-24 | 10 | 1.8 | 240 | 230 | 244 | 424 | 300 | 5 | 0.6 | ストック | 2~3 | ○ |
| TP-STB-27 | 15 | 2.4 | 270 | 260 | 279 | 453 | 316 | 5 | 0.7 | ストック | 2~3 | ○ |
| TP-STB-30 | 20 | 2.9 | 300 | 289 | 304 | 487 | 362 | 5 | 0.7 | ストック | 2~3 | ○ |
| TP-STB-33 | 25 | 3.5 | 330 | 318 | 336 | 553 | 392 | 5 | 0.7 | ストック | 2~3 | ○ |
- 容器の材質変更は出来ますか?
出来ます。SUS316L があります。
- 口付きタイプはありますか?
ステンレスバケツ【BA】がございます。
- 目盛りが付いているものが欲しい。
特注対応となります。任意の位置に目盛りを加工いたします。
- ツルは取り外せますか?
安全性を考慮し、取り外しが出来ない仕様となっています。ただしツルを強く引いたり、持ち手(パイプ部分)以外を掴んで持ち上げるなどの使い方をされると外れることがありますので、取り扱いにはご注意ください。

お客様の要望に合わせた装置の提案を致します
MONOVATEでは貯蔵容器の設計もご対応します!お客様の用途や業界のニーズに合わせて設計段階から緊密にコミュニケーションをとりながら、最適な形状や材質、機能を提案し実現します。当社の豊富な経験と実績を活かし、業務効率や製品の安全性を最優先に考慮した特注の貯蔵容器をお届けいたします。どんな要望もお気軽にご相談ください。
同カテゴリーのカスタマイズ製品事例
- フック付蓋のステンレス容器【採用事例】蓋を開けた際の置き場所に困らないカスタマイズ

- 特注径のステンレス容器【採用事例】限られたスペースに対し最大限容量を確保するため 容器の高さと径をカスタマイズ

化学メーカー様納入
○容量重視でスペースに合わせて内径と高さを変更した、ステンレス容器のオーダーメイド事例です。
・限られたスペースで最大限の容量を確保するため、容量を変えずに内径と高さをカスタマイズしています。












