品番:TP-CTH

テーパー型密閉容器(クリップ式)【TP-CTH】

入れ子状に積み重ね収納できるテーパー型容器。クリップで簡単に密閉できるステンレスタンクです。
¥29,282 (税込)

バリエーション選択

バリエーションを選択してください

カスタム加工選択

もっと見る 閉じる

各種ダウンロード

  • 図面ダウンロード(会員)

図面ダウンロード

会員登録すると、以下のデータを無料でダウンロードできます


製品CAD図面:PDF・DXF・DWG / 証明書:材料証明書・RoHS2指令適合証明書


※製品により、CADデータや証明書を公開していないものがございます。
※「アクセサリー」「オプション加工」「撹拌機」、その他一部の図面は公開しておりません。ご了承ください。

特長
サイズ表
Q&A
カスタマイズ事例

○粉体や液体等の一時保管や運搬用として手軽な貯蔵容器です。

○空の状態の時に積み重ねが出来る省スペースタイプです。

○ストレート容器に比べ約12%の軽量化になります。

○底の角は、汚れが溜まりにくいR構造です。

テーパー型容器、仕様変更のお知らせ(2015.7)

積み重ね(ネスティング)で省スペース化!

ネスティングイメージ

テーパー型容器【TPシリーズ】製品ラインナップはこちら

関連製品

テーパータンク専用の台車を3種類ご用意しています。
キャスターの仕様が異なります。台車部分は共通で、すべてSUS304製です。

標準仕様の台車

KM-TP

キャスター金具…SS(クロムメッキ)
キャスター車輪…ゴム車
適用サイズ:TP-43 / TP-47 / TP-565 / TP-565H
※その他のサイズは特注製作にて承っております。

この台車の詳細を見る

キャスター金具もステンレス製の台車

KMS-TP

キャスター金具…SUS304
キャスター車輪…ナイロンウレタン車
ストッパー…6 ナイロン+30%ガラス繊維(43・47サイズ)
適用サイズ:TP-43 / TP-47 / TP-565 / TP-565H
※その他のサイズは特注製作にて承っております。

この台車の詳細を見る

滅菌できるステンレス製の台車

KMS-A-TP

オートクレーブ滅菌に対応したステンレス台車です。
キャスター金具…SUS304
キャスター車輪…MCナイロン車
適用サイズ:TP-43 / TP-47
※その他のサイズはお問い合わせください。

この台車の詳細を見る

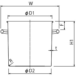
寸法参考図

サイズ表

型式 容量 質量 内径 内径 内高 最大幅 取っ手高 板厚 クリップ パッキン 納期 RoHS
L kg D1 D2 H1 W F R t
TP-CTH-24 10 1.9 240 230 244 312 56 5 0.6 3 A型 2~3
TP-CTH-27 15 2.5 270 260 279 345 71 5 0.7 3 A型 2~3
TP-CTH-30 20 3.0 300 289 304 377 71 5 0.7 3 A型 2~3
TP-CTH-33 25 3.7 330 318 336 433 63 5 0.7 4 A型 2~3
TP-CTH-36 35 4.7 360 346 362 465 83 5 0.8 4 A型 2~3
TP-CTH-39 45 5.4 387 373 405 492 107 5 0.8 4 A型 2~3
TP-CTH-43 65 7.5 430 413 475 543 107 5 0.9 4 A型 2~3
TP-CTH-47 80 9.3 470 452 485 585 106 5 1.0 5 A型 2~3
TP-CTH-47H 100 10.7 470 448 615 585 106 5 1.0 5 A型 2~3
TP-CTH-565 150 14.8 565 543 635 700 116 5 1.0 6 B型 2~3
TP-CTH-565H 200 18.2 565 534 905 700 116 5 1.0 6 B型 2~3
容器の材質変更は出来ますか?

出来ます。SUS316L があります。

圧力をかけられますか?

加圧は出来ません。加圧容器をご使用ください。

目盛りが付いているものが欲しい。

特注対応となります。任意の位置に目盛りを加工いたします。

パッキンはシリコン以外の材質がありますか?

フッ素ゴムなどの材質があります。

お客様の要望に合わせた装置の提案を致します

MONOVATEでは貯蔵容器の設計もご対応します!お客様の用途や業界のニーズに合わせて設計段階から緊密にコミュニケーションをとりながら、最適な形状や材質、機能を提案し実現します。当社の豊富な経験と実績を活かし、業務効率や製品の安全性を最優先に考慮した特注の貯蔵容器をお届けいたします。どんな要望もお気軽にご相談ください。

同カテゴリーのカスタマイズ製品事例

  • 純水保存容器【採用事例】
    純水の貯蔵・殺菌・排出に使用するステンレス密閉容器

    漢方薬製造メーカー様納入

    〇純水の貯蔵、殺菌、排出に使用する、ステンレス密閉容器のオーダーメイド事例です。

    ・精製された純水を超音波式レベル計で一定量に注入し、UV殺菌灯にて保存中に殺菌、次工程への排出制御をおこないます。

  • 深型密閉容器【採用事例】
    限られたスペースで最大限の容量を確保するため 容器の高さを変更

    電材メーカー様納入

    容量確保のため高さを変更したステンレス容器のオーダーメイド事例です。

ユーザーレビュー

この商品に寄せられたレビューはまだありません。