製品仕様
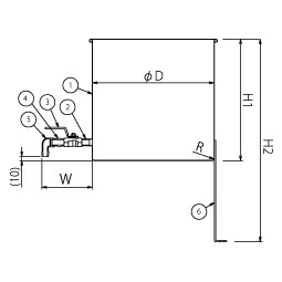
①容器…SUS304
②ニップル…SUS304
③ボールバルブ…SCS14
④両ニップル…SUS304
⑤ねじ込みエルボ…SUS304
⑥平鋼脚…SUS304 厚さ3mm 幅25mm 本数3本 φ10mm穴付き (各サイズ共通)
●表面処理:内外面バフ研磨
●使用条件:大気圧(加減圧不可)
容量:4L、7L、10L、15L、20L、25L、36L
JAN: 4589691010193
・中の液体を小分けするのに便利です。
・ステンレス製の容器とバルブ、PTFE製のバルブシールを使用しているため耐薬品性に優れています。
・ノズルの先端にはねじ込み継手を使用している為、他の配管等へ接続が可能です。
・容器を固定できるように、脚には10㎜の穴が空いています。
・背の高いビーカー・ボトルにも給水できるように、ノズルまでの高さを200㎜にしました。
脚なしのボールバルブ付汎用容器もございます。
寸法参考図
サイズ表
| 型式 | 容量 | 内径 | 容器高さ | 全高 | バルブ | ノズル長さ | 納期 |
|---|---|---|---|---|---|---|---|
| L | D | H1 | H2 | サイズ | W | 日 | |
| STV-FL-18 | 4 | 180 | 180 | 380 | 1/4B | 111 | 3 |
| STV-FL-21 | 7 | 210 | 210 | 410 | 1/4B | 111 | 3 |
| STV-FL-24 | 10 | 240 | 240 | 440 | 1/4B | 111 | 3 |
| STV-FL-27 | 15 | 270 | 270 | 470 | 3/8B | 124 | 3 |
| STV-FL-30 | 20 | 300 | 300 | 500 | 3/8B | 124 | 3 |
| STV-FL-33 | 25 | 330 | 330 | 530 | 3/8B | 124 | 4 |
| STV-FL-36 | 36 | 360 | 360 | 560 | 3/4B | 166 | 4 |
- ボールバルブ付容器【STV】と蛇口付容器【ST-W】の違いとは何ですか?
【ST-W】は一般的な蛇口(黄銅+メッキ)が付いています。耐薬品性が求められる内容物の場合にはボールバルブ(ステンレス)付きの【STV】が適しています。
- 100L以上のバルブ付タンクが欲しいのですが・・・。
特注製作にて対応致しております。
- レベル計や継手の取り付けはできますか?
特注製作にてご希望の場所に取り付けいたします。
- 欲しい容量のタンクがない。
特注対応にてご希望の容量にて製作致します。
- バルブの種類や取り付け位置は変えられますか?
ご希望のバルブをご希望の場所へオーダーメイドで取り付けできます。

お客様の要望に合わせた装置の提案を致します
MONOVATEでは貯蔵容器の設計もご対応します!お客様の用途や業界のニーズに合わせて設計段階から緊密にコミュニケーションをとりながら、最適な形状や材質、機能を提案し実現します。当社の豊富な経験と実績を活かし、業務効率や製品の安全性を最優先に考慮した特注の貯蔵容器をお届けいたします。どんな要望もお気軽にご相談ください。
同カテゴリーのカスタマイズ製品事例
- 純水保存容器【採用事例】純水の貯蔵・殺菌・排出に使用するステンレス密閉容器

漢方薬製造メーカー様納入
〇純水の貯蔵、殺菌、排出に使用する、ステンレス密閉容器のオーダーメイド事例です。
・精製された純水を超音波式レベル計で一定量に注入し、UV殺菌灯にて保存中に殺菌、次工程への排出制御をおこないます。
- STB ツル2ヶ/取っ手4ヶ/蓋無【採用事例】原料投入用のステンレス容器

粉体機器メーカー様納入
○原料を別容器へ投入するために使用する、吊り下げ式ステンレス容器のオーダーメイド事例です。
・粉末原料と水を混ぜたものを、この容器から別容器へ投入します。






