製品仕様
容器本体・ジャケット…SUS304
蓋・取っ手…SUS304
ジャケット部ノズル…1Sヘルール
●表面処理:内外面バフ研磨
●使用条件(内槽・ジャケット) :大気圧(加減圧不可)
容量:10L、20L、35L、45L、65L
※その他のサイズも製作できます。
JAN: 4582136044630
○ジャケット部(外槽)に水を流し、内容物を保温・冷却できます。
○蓋付きなのでホコリなどの混入を防ぎます。
○移動には専用の運搬用台車があります。
○底の角は、汚れが溜まりにくいR構造です。
○受注生産品ですので、「寸法」「材質」の変更や用途に合わせてオーダーメイドできます。
蓋は用途に合わせて「ST」「CTL」から選択できます断熱カバーで温調効率UP!
断熱カバーの詳細を見る
簡易密閉タイプもあります
この製品の詳細を見る
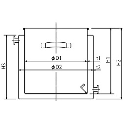
寸法参考図
サイズ表
| 型式 | 容量 | 重量 | 内径 | 内径 | 内高 | 全高 | ジャケット高 | 板厚 | 板厚 | 納期 | RoHS |
|---|---|---|---|---|---|---|---|---|---|---|---|
| L | kg | D1 | D2 | H1 | H2 | H3 | t1 | t2 | 日 | ||
| ST-J-24 | 10 | 7 | 240 | 300 | 260 | 290 | 250 | 1.2 | 1.2 | 30 | ○ |
| ST-J-30 | 20 | 10 | 300 | 360 | 320 | 350 | 310 | 1.2 | 1.2 | 30 | ○ |
| ST-J-33 | 25 | 11 | 330 | 387 | 350 | 380 | 340 | 1.2 | 1.2 | 30 | ○ |
| ST-J-36 | 35 | 13 | 360 | 430 | 380 | 410 | 370 | 1.2 | 1.2 | 30 | ○ |
| ST-J-39 | 45 | 15 | 387 | 430 | 410 | 440 | 390 | 1.2 | 1.2 | 30 | ○ |
| ST-J-43 | 65 | 20 | 430 | 470 | 480 | 510 | 460 | 1.2 | 1.5 | 30 | ○ |
- 容器の材質は変更できますか?
できます。SUS316Lがあります。
- 耐食性が必要なのですが…
容器内面のフッ素樹脂コーティングができます。
- カタログにないサイズ、容量はできますか?
近い容量の容器の高さを変えて製作いたします。
- 蓋のカスタマイズはできますか?
蓋の半分だけ開閉できるようにしたり、継手を付けることができます。製品例はこちら
- 圧力をかけられますか?
できません。加圧容器をご使用ください。

お客様の要望に合わせた装置の提案を致します
MONOVATEでは貯蔵容器の設計もご対応します!お客様の用途や業界のニーズに合わせて設計段階から緊密にコミュニケーションをとりながら、最適な形状や材質、機能を提案し実現します。当社の豊富な経験と実績を活かし、業務効率や製品の安全性を最優先に考慮した特注の貯蔵容器をお届けいたします。どんな要望もお気軽にご相談ください。
同カテゴリーのカスタマイズ製品事例
- フランジオープン型加圧容器 ジャケット付 架台、外装断熱材、各種アクセサリー【採用事例】材料を加温~溶解~撹拌するステンレス容器

化学薬品製造メーカー様納入
〇材料の加温・溶解・撹拌で使用する、ステンレス加圧容器のオーダーメイド事例です。
・コンタミを嫌う材料をジャケットで加熱しながら撹拌機(攪拌機/かくはん機)にて溶解します。
- 20Lジャケットタンク 撹拌機、架台付台車【採用事例】内容物を温めながら撹拌する圧力容器

製薬メーカー様納入
〇加温しながらの撹拌に使用する、ジャケット式ステンレス圧力容器のオーダーメイド事例です。
・内容物はジャケットにより加温されながら、エアーモーターの撹拌機で混合されます。





