製品仕様
容器本体・・・SUS304
キャップ・・・SUS303
パッキン・・・PTFE(硬質)
※パッキンはキャップにセットされています。
●表面処理:内面バフ研磨後、酸洗
外面バフ研磨
●使用条件:大気圧(加減圧不可)
JAN: 4560132182730
開口部は、台形ねじになっているため開閉がスムーズに行えます。
0.1L以下の小容量サイズをお求めの場合は【PSS】ステンレス小型サンプルボトルをご覧ください。
部品の紹介【キャップ】

側面にローレット加工 (溝)がされており、手が滑らずに開閉ができます。
【パッキン】

蓋の内側に付いています。
材質がPTFEの為、耐薬品性に優れています。
【開口部】

開口部は、台形ねじになっているため開閉がスムーズに行えます。
特注納入実績
バルブ付き / 取っ手付き / 内面電解研磨 / パッキン材質変更 / レーザーマーキングで印字 / 容量変更(50ml等) / 酸洗い など
その他のステンレス製ボトル
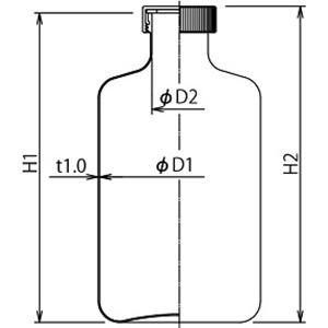
寸法参考図
サイズ表
| 型式 | 容量 | 内径 | 高さ | 全高 | 開口部 | ねじサイズ | 質量 | 納期 | RoHS |
|---|---|---|---|---|---|---|---|---|---|
| L | D1 | H1 | H2 | D2 | kg | 日 | |||
| PS-6 | 0.2 | 60 | 119 | 124 | 28 | Tr38(P=2) | 0.2 | 2~3 | ○ |
| PS-8 | 0.5 | 80 | 160 | 165 | 28 | Tr38(P=2) | 0.4 | 2~3 | ○ |
| PS-10 | 1 | 100 | 201 | 206 | 41 | Tr50(P=2) | 0.6 | 2~3 | ○ |
| PS-12 | 2 | 120 | 253 | 258 | 41 | Tr50(P=2) | 0.8 | 2~3 | ○ |
| PS-18 | 5 | 180 | 314 | 319 | 41 | Tr50(P=2) | 1.6 | 2~3 | ○ |
| PS-22 | 10 | 220 | 381 | 386 | 41 | Tr50(P=2) | 2.1 | 2~3 | ○ |
- ボトルのキャップのみ、パッキンのみ、本体のみ等の販売はしていますか?
1ヶより販売しております。ボトル購入先にて「○○(型番)のパッキンのみ」などとご指定いただければ見積やご注文が可能です。
- 容量や高さなどは変えられますか?
変えられます。小容量をお求めでしたらこちらのボトルもおすすめです。
- SUS316Lでの製作はできますか?
キャップ材質が変更できないため、 SUS316Lでの製作が可能な別のボトルでの材質変更をおすすめします。
- 取っ手を付けたいのですが。
ご要望に合う取っ手を取り付けいたします。
- ボトル運搬用のカゴの製作はできますか?
製作できます。詳細はお問い合わせください。

お客様の要望に合わせた装置の提案を致します
MONOVATEでは貯蔵容器の設計もご対応します!お客様の用途や業界のニーズに合わせて設計段階から緊密にコミュニケーションをとりながら、最適な形状や材質、機能を提案し実現します。当社の豊富な経験と実績を活かし、業務効率や製品の安全性を最優先に考慮した特注の貯蔵容器をお届けいたします。どんな要望もお気軽にご相談ください。
同カテゴリーのカスタマイズ製品事例
- トルク管理できるボトル【採用事例】ボトルの締め込みを標準化・漏れ防止に

○トルク管理が可能なステンレスボトルの事例です。
・蓋にナットを溶接し、トルク管理をできるようにしています。
・蓋を閉める際、蓋に溶接されたナットにトルクレンチ・ソケットを差し込んで使用します。
- 30ml ヘルール式小型容器【採用事例】品質確認サンプリング用のステンレス容器(ボトル)

製薬メーカー様納入
○サンプリングに使用する、ステンレス容器(ボトル)のオーダーメイド事例です。










