製品仕様
容器本体・蓋・取っ手…SUS304
Oリング…シリコンゴム
架台(アングル)…SUS304
キャスター材質…SUS+ウレタン車 (内ストッパー付2個)
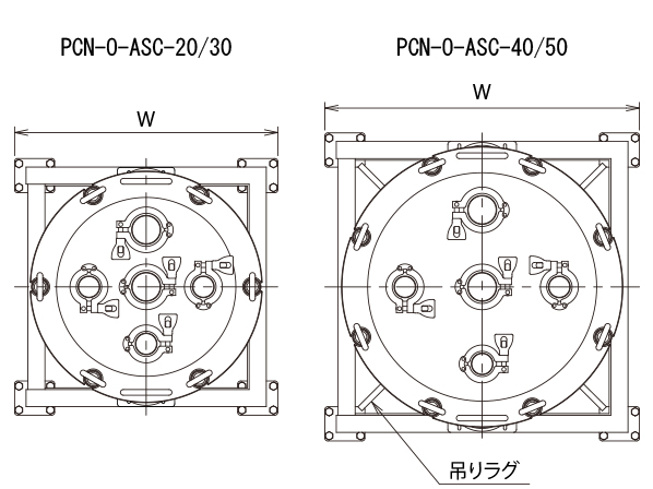
吊りラグ(40、50サイズのみ)…SUS304
●表面処理: 内外面バフ研磨
容器のみの製作も可能です。(【PCN-O-BRK】)
容量:20L、30L、40L、50L
その他の容量についてはお問い合わせください。
JAN: 4589691033857
○下部排出の為、内容物が残留なく排出できます。
○作業に合わせて工具不要で容器と架台の分離・固定ができます。
○容器を架台から外して洗浄できるので、洗浄時間の短縮になります。
○容器と架台は丈夫でサビに強いSUS304製です。
○40L、50Lの容器は吊り上げ用に金具(穴)を取り付けています。
ご使用に合わせて、アクセサリーを選定できます。
加圧容器を安全にご使用する為に必要です。
圧力指示の読み取りが容易で、取り扱いも簡単です。
内部の様子を確認できます。
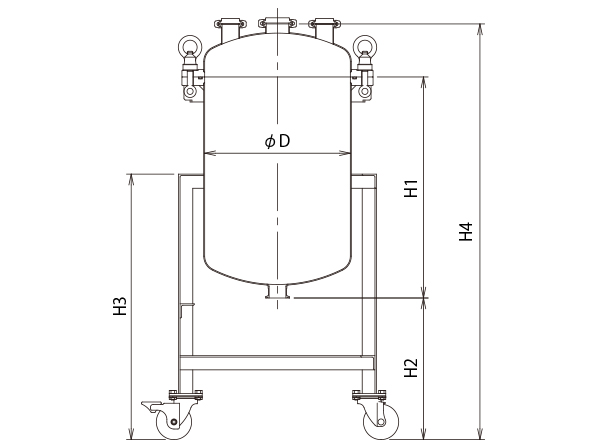
寸法参考図
サイズ表
| 型式 | 容量 | 重量 | 内径 | 容器高 | ドレン高 | 架台高 | 全高 | 架台幅 | ドレン | 使用圧力 | 耐荷重 | 納期 |
|---|---|---|---|---|---|---|---|---|---|---|---|---|
| L | kg | D | H1 | H2 | H3 | H4 | W | サイズ | (常温) | kg | 日 | |
| PCN-O-ASC-20 | 20 | 31 | 259.4 | 459 | 300 | 543 | 883 | 400 | 1S | 0~0.18MPa | 259 | 40 |
| PCN-O-ASC-30 | 30 | 38 | 309.5 | 469 | 300 | 563 | 881 | 460 | 1.5S | 0~0.18MPa | 259 | 40 |
| PCN-O-ASC-40 | 40 | 46 | 345.6 | 519 | 300 | 563 | 938 | 500 | 1.5S | 0~0.18MPa | 259 | 40 |
| PCN-O-ASC-50 | 50 | 54 | 396.4 | 519 | 300 | 563 | 950 | 550 | 1.5S | 0~0.18MPa | 259 | 40 |
- 容量や大きさの変更はできますか?
変更可能です。詳細をお知らせください。
- 排出口の種類やサイズ、位置を変えたい。
変更可能です。ご希望をお聞かせください。
- 容器をフォークリフトで持ち上げたいのだが…
フォークリフト用の金具を取り付けいたします。
- 排出口に付けるバルブや圧力計などのアクセサリーも一緒に購入できますか?
可能です。
- 容器と架台が一体になっているものはありますか?
関連製品として、キャスター脚付の容器がございます(PCN-O-L)。

お客様の要望に合わせた装置の提案を致します
MONOVATEでは貯蔵容器の設計もご対応します!お客様の用途や業界のニーズに合わせて設計段階から緊密にコミュニケーションをとりながら、最適な形状や材質、機能を提案し実現します。当社の豊富な経験と実績を活かし、業務効率や製品の安全性を最優先に考慮した特注の貯蔵容器をお届けいたします。どんな要望もお気軽にご相談ください。
同カテゴリーのカスタマイズ製品事例
- カードホルダー付き圧力容器【採用事例】不活性ガスを注入し内部空気をパージして保管

○金型メーカー様採用
不活性ガスを注入し内部空気をパージして保管する、ステンレス製圧力容器のオーダーメイド事例
側面にカードホルダーを取り付けた圧力容器です。
ホルダー下部には水抜き用の隙間があり、洗浄液などが溜まりにくい構造です。
- ヘルールオープン加圧容器 角窓 脚付【採用事例】注射剤製造工程で薬液の不純物などを濾すフィルターケース

製薬メーカー様納入
〇薬液の不純物等を濾すフィルターケースとして使われる、ステンレス圧力容器のオーダーメイド事例です。
・注射剤製造工程の中間容器です。












