製品仕様
容器本体…SUS304
取っ手、脚…SUS304
キャップヘルール…SUS304、Rc1/4サイズのタップ(ネジ)穴×4
クランプバンド…SCS13
パッキン…シリコンゴム(オプション/フッ素ゴム)
キャスター…SUS+ウレタン車 (内ストッパー付2個)
開口部…4Sヘルール
●表面処理:内外面バフ研磨
JAN: 4582136046351
○ご使用に合わせて、アクセサリーを選定出来ます。
○下部排出の為、内容物が残留なく排出出来ます。
○受注生産品の為、「寸法」「材質」の変更や用途に合わせて特注加工ができます。
○【PCN-F-L】と比べ、蓋とクランプが軽く取扱いやすいです。
○キャップヘルールにはRc1/4サイズのタップ(ネジ)穴が4か所開けられており、各種アクセサリを取り付けられます(タップ穴のサイズや数は特注にて変更できます)。
加圧容器用アクセサリー排出口のカスタマイズができます

排出口(ドレン)の標準仕様はヘルール継手ですが、内容物や配管に合わせて排出口の「種類」や「サイズ」を変更できます。
配管やバルブにあわせた仕様で製作、お客様ご指定の継手での製作も可能です。
各種バルブを取り付けできます
関連製品
「最低限必要なアクセサリを容器と一緒に揃えたい」「どのような部品が必要かわからない」ときには、圧送に必要な容器と各種アクセサリがセットになったこちらの製品がおすすめです。
ご希望にあわせて選べる圧力容器
キャスター付き、ジャケット付きなど、さまざまタイプのステンレス製圧力容器を製作しています。
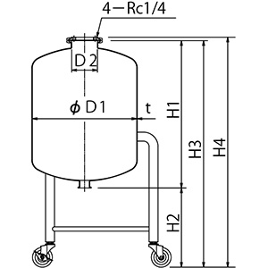
寸法参考図
サイズ表
| 型式 | 容量 | 重量 | 内径 | 開口部 | 内高 | ドレン高 | 容器高 | 全高 | 脚幅 | 板厚 | ドレン | 使用圧力 | 耐荷重 | 納期 | RoHS |
|---|---|---|---|---|---|---|---|---|---|---|---|---|---|---|---|
| L | ㎏ | D1 | D2 | H1 | H2 | H3 | H4 | W | t | サイズ | (常温) | ㎏ | 日 | ||
| PCN-L-10 | 10 | 8 | 208.3 | 97.6 | 389 | 300 | 689 | 702 | 324 | 1.5 | 1S | 0~0.4MPa | 122 | 25 | ○ |
| PCN-L-20 | 20 | 9.5 | 259.4 | 97.6 | 488 | 300 | 788 | 801 | 368 | 1.5 | 1S | 0~0.4MPa | 122 | 25 | ○ |
| PCN-L-30 | 30 | 13 | 309.5 | 97.6 | 529 | 300 | 829 | 842 | 413 | 2.0 | 1.5S | 0~0.4MPa | 122 | 25 | ○ |
| PCN-L-40 | 40 | 15 | 345.6 | 97.6 | 559 | 300 | 859 | 872 | 444 | 2.0 | 1.5S | 0~0.18MPa | 122 | 25 | ○ |
| PCN-L-50 | 50 | 16 | 396.4 | 97.6 | 559 | 300 | 859 | 872 | 488 | 2.0 | 1.5S | 0~0.18MPa | 122 | 25 | ○ |
- 容器の材質は変更出来ますか?
出来ます。SUS316L があります。
- 耐食性が必要なのですが…
フッ素樹脂コーティングの表面処理が出来ます。
- カタログにないサイズ、容量はできますか?
近い容量の容器の高さを変えて製作いたします。

お客様の要望に合わせた装置の提案を致します
MONOVATEでは貯蔵容器の設計もご対応します!お客様の用途や業界のニーズに合わせて設計段階から緊密にコミュニケーションをとりながら、最適な形状や材質、機能を提案し実現します。当社の豊富な経験と実績を活かし、業務効率や製品の安全性を最優先に考慮した特注の貯蔵容器をお届けいたします。どんな要望もお気軽にご相談ください。
同カテゴリーのカスタマイズ製品事例
- ビフネルロート付き加減圧容器【採用事例】原料の吸引ろ過用ステンレス圧力容器

エレクトロケミカル材料メーカー様納入
〇原料を吸引ろ過するために使われるステンレス加減圧容器のオーダーメイド事例です。
・蓋にビフネルロートを取り付けています。
- 薬液噴霧用圧力容器【採用事例】高温の薬液を噴霧する3Lのステンレス容器

化学薬品メーカー様納入
〇高温の薬液に圧力をかけて噴霧する、実験用ステンレス圧力容器のオーダーメイド事例です。
・噴霧量(送液量)はアクチュエーター(電動弁)により調整します。









