製品仕様
※別途、Wi-Fiや有線LAN接続等のインターネット環境が必要です。
のぞき窓仕様
本体(窓枠下)…SUS316L
カバー(窓枠上)・ボルト・ワッシャー…SUS304
平パッキン…シリコンゴム
窓…耐熱強化ガラス
耐圧強度…0.16MPa※取り付けに必要なヘルールガスケットやクランプバンドは別売りです。
※窓が曇る環境ではモニタリングが難しくなります。カメラ仕様
カメラ…200万画素CMOSセンサーカメラ
画角…水平約79°/垂直約43°/対角約85°
使用温度/湿度…0~40℃/20~80%(結露なきこと)
電源:ACアダプター※カメラ等の仕様は変更になる場合があります。
○のぞき窓にカメラを取り付け、設置した容器の内部の様子を撮影・録画できるようにしています。
○内側を見ることができない大型タンクや、別の場所から容器内を監視したい場合に適しています。
○インターネット環境があれば、スマホ・タブレット・パソコンなどと接続してリアルタイムで確認できます。
○一つの端末(一つのアプリ)に複数のカメラを登録でき、複数の容器の遠隔管理がおこなえます。
○のぞき窓はヘルール接続のため着脱が簡単で、容器の蓋に4Sヘルールがあればすぐ設置できます。
容器内部の状態を、離れた場所から確認できます!
こんなときに活躍します
・蓋を何度も開けて確認したくないとき
・容器の蓋が高い場所にあり内部が見づらいとき
・容器の元へすぐにアクセスできないとき
・別の場所からモニタリングしたいとき

関連製品
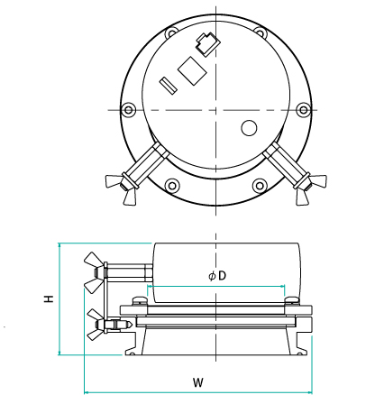
寸法参考図
サイズ表
| ヘルール | 可視範囲 | 幅 | 高さ | 納期 | |
|---|---|---|---|---|---|
| サイズ | φD | W | H | 日 | |
| NMB-CA-4S | 4S | 90 | 149.5 | 73.5 | 20 |
のぞき窓(サイトグラス)シリーズについて、お客さまから実際にいただいたご質問をまとめました。こちらも併せてご覧ください。
技術コラム:「のぞき窓」のよくある質問をまとめました
- 対応機種・対応OS・対応ブラウザーは?
カメラの詳細はこちらをご覧ください。
- カメラに防塵・防水性能はありますか?
ありません。
- 別のカメラで作れますか?
製作可否を確認しますので、カメラの詳細をご連絡ください。
- 容器内が真空状態でも使用できますか?
使用できます。

お客様の要望に合わせた装置の提案を致します
MONOVATEでは貯蔵容器の設計もご対応します!お客様の用途や業界のニーズに合わせて設計段階から緊密にコミュニケーションをとりながら、最適な形状や材質、機能を提案し実現します。当社の豊富な経験と実績を活かし、業務効率や製品の安全性を最優先に考慮した特注の貯蔵容器をお届けいたします。どんな要望もお気軽にご相談ください。
同カテゴリーのカスタマイズ製品事例
- カメラ付きのぞき窓(一体型)【採用事例】タンク内部をモニタリング

- 一体型のぞき窓安全カバー(ガラス破損防止)【採用事例】ガラス部の破損を防ぐ













