品番:MFV-F

へルール型チョークバルブ【MFV-F】

粉粒体の排出・投入用として使われているコントロールバルブ

バリエーション選択

バリエーションを選択してください

各種ダウンロード

  • 図面ダウンロード(会員)

図面ダウンロード

会員登録すると、以下のデータを無料でダウンロードできます


製品CAD図面:PDF・DXF・DWG / 証明書:材料証明書・RoHS2指令適合証明書


※製品により、CADデータや証明書を公開していないものがございます。
※「アクセサリー」「オプション加工」「撹拌機」、その他一部の図面は公開しておりません。ご了承ください。

特長
サイズ表
Q&A
カスタマイズ事例

○外側にあるチョークロープによってスリーブ(弁)がレンズシャッターのようにスムーズに開閉します。

○接粉部は布で覆われており、粉が入り込む隙間がありません。

○通過面には摺動部や障害物がないので、内容物を傷つけません。

○ヘルール接続タイプなので接続や取り外しが簡単です。

○スリーブはワンタッチで着脱でき簡単に交換・洗浄できます。

○流量調節はハンドルで自在に行えます。

○内容物に応じてスリーブの材質を変えられます。

○ヘルールはオサメ工業20°型低圧ヘルール(平パッキン)を使用しています。

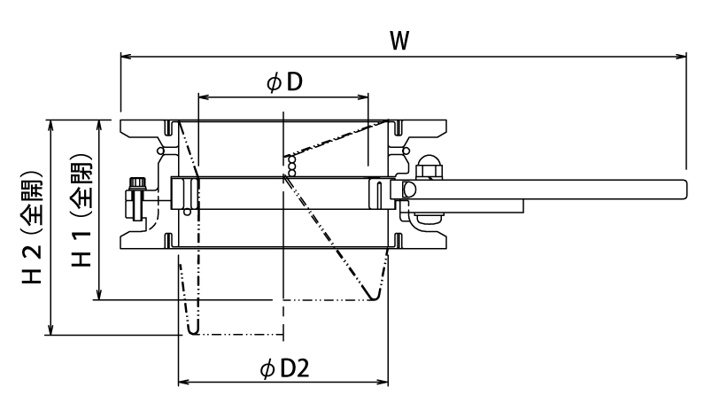
寸法参考図

サイズ表

型式 重量(kg) 重量(kg) 内径 取付内径 接続 高さ 高さ
アルミ製 SUS製 φD φD2 ヘルール H1(全閉) H2(全開) W
MFV-80A-F 2.2 5.9 80 102 125A 105 120 305
MFV-100A-F 2.7 6.5 100 122 150A 105 125 330
MFV-125A-F 3.7 9.2 125 147 8 1/2S 130 155 367
MFV-150A-F 4.4 10.6 150 172 200A 135 170 382
MFV-200A-F 6.7 15.5 200 222 250A 145 195 460
MFV-250A-F 9.7 24 250 272 300A 165 230 512
MFV-300A-F 11.7 30 300 322 400A 205 265 579

※オサメ工業20°型低圧ヘルールを使用しています。長さの単位は(mm)

軽いバルブが欲しい。

アルミ製のものはステンレス製に比べ軽量となっております。樹脂製の製作も可能です。

液体には使えませんか?

粉粒体用となっております。

ヘルール以外の接続方法はありますか?

フランジ接続等がございます。

自動タイプはありますか?

自動式(エアシリンダ)もあります。

お客様の要望に合わせた装置の提案を致します

MONOVATEでは貯蔵容器の設計もご対応します!お客様の用途や業界のニーズに合わせて設計段階から緊密にコミュニケーションをとりながら、最適な形状や材質、機能を提案し実現します。当社の豊富な経験と実績を活かし、業務効率や製品の安全性を最優先に考慮した特注の貯蔵容器をお届けいたします。どんな要望もお気軽にご相談ください。

同カテゴリーのカスタマイズ製品事例

  • ストッパー付シャッター弁【採用事例】
    誤開閉防止機能付き

    粉体製造メーカー様納入

    ○充填工程にて、粉末原料を排出(充填)する際に使用する、シャッター弁のオーダーメイド事例です。

    ・排出物や排出量に応じて、弁の形状の異なるシャッターを使用します。

  • 目盛付きボールバルブ【採用事例】
    バルブの開度を標準化

    ○製薬メーカー様 採用事例
    薬の造粒工程で液を滴下する際に、液量を調整する手動式ボールバルブです。
    作業標準化のため開閉角度がわかる目盛板を追加しました。

ユーザーレビュー

この商品に寄せられたレビューはまだありません。