製品仕様
アーム材質…SUS304
クランプ材質…SCS13(六角ナット付)
耐熱温度…35℃
LEDライト仕様
材質…アルミ
●防滴仕様
●単三電池2本
※クランプバンドとライトのセットです。のぞき窓【NM】は別売りとなります。
※アームやライトの仕様は変更になる場合があります。
ラインナップ
LA-1.5S(1.5Sへルール、NM-1.5用)
LA-2S(2Sへルール、NM-2用)
LA-3S(3Sへルール、NM-3用)
LA-4S(4Sへルール、NM-4用)
○コンパクトで低発熱、高輝度のLEDライト。
○防滴構造、コードレス(単三乾電池2本)。
○ステンレス容器のへルールに設置されているのぞき窓に取り付けられます。
○ライトの照射角度が調節できます。
スイッチを押すだけで内部を確認できます。
フラッシュライトはのぞき窓に固定されているので、両手で他の作業ができます。
関連製品
フラッシュライトを取り付けた特注ステンレス容器事例
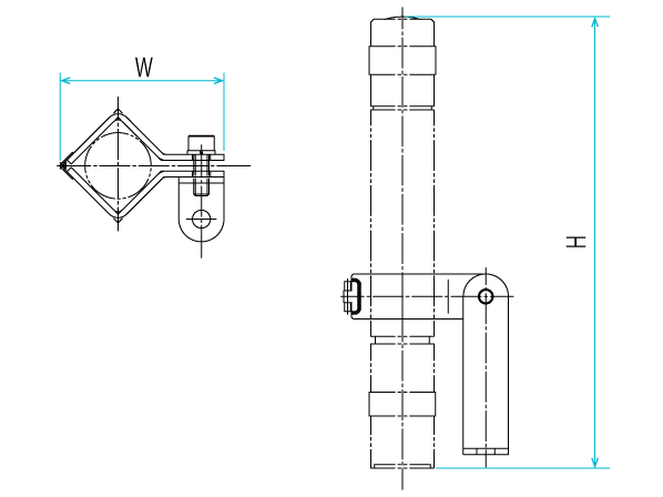
寸法参考図
※クランプバンドとライトのセットです。のぞき窓【NM】は別売りとなります。
※全体の高さはライトのつかみ位置や照射角度により変動します。
サイズ表
| 型式 | 対応のぞき窓 | 質量 | 幅 | 高さ | へルール | 可視範囲径 | 納期 |
|---|---|---|---|---|---|---|---|
| 対応型式 | kg | W(mm) | H(mm) | サイズ | mm | 日 | |
| LA-1.5S | NM-1.5S | 0.3 | 54 | 151.9 | 1.5S | 27 | 2~3 |
| LA-2S | NM-2S | 0.4 | 54 | 151.9 | 2S | 41 | 2~3 |
| LA-3S | NM-3S | 0.5 | 54 | 151.9 | 3S | 65 | 2~3 |
| LA-4S | NM-4S | 0.6 | 54 | 151.9 | 4S | 90 | 2~3 |
のぞき窓(サイトグラス)シリーズについて、お客さまから実際にいただいたご質問をまとめました。こちらも併せてご覧ください。
技術コラム:「のぞき窓」のよくある質問をまとめました
- ケースタイプ【LC】との違いは何ですか?
アームタイプ【LA】はライトの照射角度が調節できます。ケースタイプ【LC】はアルミ製のライトがステンレス製のケースで覆われているため、腐食性の溶液や内容物を扱うときに向いています。
- のぞき窓【NM】も一緒に購入できますか?
可能です。
- ワイパー付のぞき窓【NMW】に取り付けできますか?
ライトがワイパー回転用のハンドル部分に干渉してしまうため、ご使用いただけません。
- ラインナップにないサイズのへルールに取り付けたいのですが…
特注にてご希望のへルールサイズで製作いたします。
- 防爆仕様のものはありますか?
お問い合わせください。

お客様の要望に合わせた装置の提案を致します
MONOVATEでは貯蔵容器の設計もご対応します!お客様の用途や業界のニーズに合わせて設計段階から緊密にコミュニケーションをとりながら、最適な形状や材質、機能を提案し実現します。当社の豊富な経験と実績を活かし、業務効率や製品の安全性を最優先に考慮した特注の貯蔵容器をお届けいたします。どんな要望もお気軽にご相談ください。
同カテゴリーのカスタマイズ製品事例
- 全面フッ素樹脂コーティングトレイ【採用事例】腐食防止のコーティングを施工

製薬メーカー様納入
○腐食防止のため内外面をコーティングした、ステンレストレイのオーダーメイド事例です。
・フッ素樹脂コーティングを施工する理由の一つに、耐薬品性を向上させる目的があります。
- ストレーナー 金網付きヘルール継手【採用事例】原料投入時の異物混入を防止するヘルール継手

粉体機器メーカー様納入
〇ヘルール継手のオーダーメイド事例です。
・ヘルール継手に金網を溶接しています。









