製品仕様
容器・ジャケット・脚…SUS304
蓋…SUS304
キャスター…SUS+ウレタン車(内ストッパー付2個)
パッキン… シリコンゴム(食品衛生法適合品)
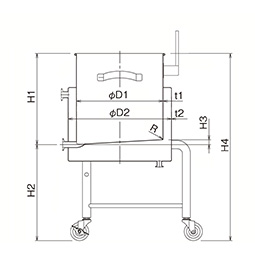
ドレン高(H2)…400㎜
ジャケット部ノズル…15Aヘルール
●表面処理:内外面バフ研磨
●使用条件:大気圧(加減圧不可)
※撹拌機は別売りです。別途お打ち合わせにより、お見積りいたします。
※お手持ちのクランプ式撹拌機(ミキサー)に合わせての設計・製作も承ります。
JAN: 4582136046030
○脚付きの片テーパー型容器に、撹拌機取付用(クランプ止め)の台座を取り付けました。
○底板が排出方向に傾斜しており、内容物がスムーズに排出できます。
○排出口が容器の側面についているので、配管の取り回しを短く出来ます。
○撹拌機を容器に取り付けたまま移動ができるキャスター脚付です。
○さびにくいステンレス容器で衛生的です。
○ポンプを接続して送液できます。
排出口のサイズや種類は変更できます
標準仕様はISOヘルールでますが、内容物・接続先の配管・バルブ等に合わせて、排出口の「種類」や「サイズ」を変えて製作することも可能です。また、お客様ご指定の継手での製作も承ります。

標準仕様(へルール)のままでも、以下のような変換継手を使用すれば、カスタマイズせずにねじ込み継手へ接続できます。
断熱カバーで温調効率UP!

断熱カバーの詳細を見る
撹拌機などとのセット製品もあります

この製品の詳細を見る
寸法参考図
サイズ表
| 型式 | 容量 | 質量 | 内径 | 内径 | 内高 | 高低差 | 傾斜 | 全高 | ドレン | 板厚 | 板厚 | 脚 | 納期 |
|---|---|---|---|---|---|---|---|---|---|---|---|---|---|
| L | kg | D1 | D2 | H1 | H3 | 目安 | H4 | サイズ | t1 | t2 | 本数 | 日 | |
| KTTK-J-L-36 | 35 | 19 | 360 | 430 | 380 | 20 | 3° | 780 | 1S | 1.2 | 1.2 | 3 | 40 |
| KTTK-J-L-39 | 45 | 20 | 387 | 430 | 420 | 20 | 3° | 820 | 1S | 1.2 | 1.2 | 3 | 40 |
| KTTK-J-L-43 | 65 | 29 | 430 | 470 | 480 | 20 | 3° | 880 | 1S | 1.2 | 1.5 | 3 | 40 |
| KTTK-J-L-47 | 80 | 37 | 470 | 565 | 500 | 20 | 2° | 900 | 1S | 1.5 | 1.5 | 4 | 40 |
| KTTK-J-L-47H | 100 | 41 | 470 | 565 | 620 | 20 | 2° | 1020 | 1S | 1.5 | 1.5 | 4 | 40 |
| KTTK-J-L-565 | 150 | 55 | 565 | 635 | 650 | 30 | 3° | 1050 | 2S | 1.5 | 1.5 | 4 | 45 |
| KTTK-J-L-565H | 200 | 66 | 565 | 635 | 930 | 30 | 3° | 1330 | 2S | 1.5 | 1.5 | 4 | 45 |
| KTTK-J-L-635 | 300 | 87 | 635 | 700 | 1030 | 30 | 3° | 1430 | 2S | 1.5 | 1.5 | 4 | 45 |

お客様の要望に合わせた装置の提案を致します
MONOVATEでは貯蔵容器の設計もご対応します!お客様の用途や業界のニーズに合わせて設計段階から緊密にコミュニケーションをとりながら、最適な形状や材質、機能を提案し実現します。当社の豊富な経験と実績を活かし、業務効率や製品の安全性を最優先に考慮した特注の貯蔵容器をお届けいたします。どんな要望もお気軽にご相談ください。
同カテゴリーのカスタマイズ製品事例
- 化粧品原料加熱溶解用 ヒーターユニット【採用事例】内容物を最高150℃まで昇温

○化粧品業界納入事例
化粧品原料(ワックス)を加熱、溶解するためのヒーター付きステンレス容器です。
- 化粧品原料加熱溶解用 ヒーターユニット【採用事例】内容物を最高150℃まで昇温

○化粧品業界納入事例
化粧品原料(ワックス)を加熱、溶解するためのヒーター付きステンレス容器です。










