製品仕様
画像は代表画像です。サイズにより仕様が異なります。詳細は図面をご覧ください。
容器本体・蓋・取っ手…SUS304
吊りラグ(565/565Hサイズのみ)…SUS304
ジャケット部ノズル…15Aヘルール●表面処理:内外面バフ研磨
●使用条件(内槽・ジャケット):大気圧(加減圧不可)
※ジャケットに圧力をかけたい場合はご相談ください。容量:35L、45L、65L、80L、100L、150L、200L
※その他の容量も製作できます。JAN: 4589691032874
特長
サイズ表
Q&A
カスタマイズ事例
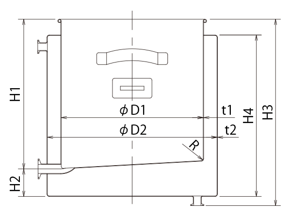
寸法参考図
サイズ表
| 型式 | 容量 | 重量 | 内径 | 内径 | 内高 | 高さ | 容器高 | 高さ | 傾斜 | ドレン | 板厚 | 板厚 | 納期 |
|---|---|---|---|---|---|---|---|---|---|---|---|---|---|
| L | kg | D1 | D2 | H1 | H2 | H3 | H4 | 目安 | サイズ | t1 | t2 | 日 | |
| KTT-ST-J-BRK-36 | 35 | 14 | 360 | 430 | 380 | 70 | 473 | 410 | 3° | 1S | 1.2 | 1.2 | 35 |
| KTT-ST-J-BRK-39 | 45 | 15 | 387 | 430 | 420 | 70 | 513 | 440 | 3° | 1S | 1.2 | 1.2 | 35 |
| KTT-ST-J-BRK-43 | 65 | 21 | 430 | 470 | 480 | 70 | 573 | 500 | 3° | 1S | 1.2 | 1.5 | 35 |
| KTT-ST-J-BRK-47 | 80 | 28 | 470 | 565 | 500 | 70 | 593 | 520 | 2° | 1S | 1.5 | 1.5 | 35 |
| KTT-ST-J-BRK-47H | 100 | 32 | 470 | 565 | 620 | 70 | 713 | 640 | 2° | 1S | 1.5 | 1.5 | 35 |
| KTT-ST-J-BRK-565 | 150 | 42 | 565 | 635 | 650 | 90 | 763 | 680 | 3° | 2S | 1.5 | 1.5 | 40 |
| KTT-ST-J-BRK-565H | 200 | 53 | 565 | 635 | 930 | 90 | 1043 | 960 | 3° | 2S | 1.5 | 1.5 | 40 |
- クリップ式のタイプ(KTT-CTH-J-BRK)は製作できますか?
製作できますが、クリップ取付の都合上ST/CTLよりジャケット部分の高さが低くなります。
- 容量や大きさの変更、ブラケットの仕様変更はできますか?
変更可能です。ご希望をお聞かせください。
- 加圧できますか?
加圧できません。圧力容器をご検討ください。
- 容器をフォークリフトで持ち上げたいのだが…
フォークリフト用の金具を取り付けいたします。
- 排出口に付けるバルブも一緒に購入できますか?
可能です。

お客様の要望に合わせた装置の提案を致します
MONOVATEでは貯蔵容器の設計もご対応します!お客様の用途や業界のニーズに合わせて設計段階から緊密にコミュニケーションをとりながら、最適な形状や材質、機能を提案し実現します。当社の豊富な経験と実績を活かし、業務効率や製品の安全性を最優先に考慮した特注の貯蔵容器をお届けいたします。どんな要望もお気軽にご相談ください。
同カテゴリーのカスタマイズ製品事例
- ジャケット付バンド式密閉容器(底板傾斜タイプ)【採用事例】クラス100のクリーンルーム内で使用する注射製剤製造用ステンレス容器

医薬製造メーカー様納入
〇クラス100のクリーンルーム内で使用する、注射製剤製造用ステンレス容器のオーダーメイド事例です。
・薬剤の混合、反応、抽出などの調液を2段階にて行います。
- 撹拌機座付ジャケット容器【採用事例】高粘度の内容物を上記加熱・撹拌するステンレス容器

化粧品メーカー様納入
〇粘度の高い内容物を加熱・撹拌する、ステンレス容器のオーダーメイド事例です。
・ジャケットに蒸気を導入して粘度の高い内容物を加熱します。











