製品仕様
容器本体・ジャケット…SUS304
蓋・取っ手…SUS304
ジャケット部ノズル…15Aヘルール
●表面処理:内外面バフ研磨
●使用条件(内槽・ジャケット):大気圧(加減圧不可)
JAN: 4582136044807
特長
サイズ表
Q&A
カスタマイズ事例
○ジャケット部(外槽)に水を流し、内容物を保温・冷却できます。
○かぶせ蓋付きなのでホコリなどの混入を防ぎます。
○内槽の底板は排出方向に傾斜している為、液体が全て排出できます。
○受注生産品の為、「寸法」「材質」の変更や用途に合わせて特注加工ができます。
○キャスター脚付きタイプもあります。
断熱カバーで温調効率UP!

断熱カバーの詳細を見る
簡易密閉タイプもあります
この製品の詳細を見る
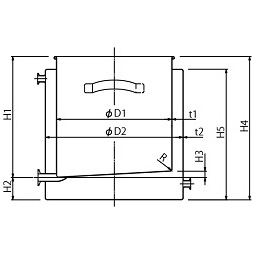
寸法参考図
サイズ表
| 型式 | 容量 | 重量 | 内径 | 内径 | 内高 | ドレン高 | 高低差 | 傾斜 | 全高 | ジャケット高 | ドレン | 板厚 | 板厚 | 納期 | RoHS |
|---|---|---|---|---|---|---|---|---|---|---|---|---|---|---|---|
| L | kg | D1 | D2 | H1 | H2 | H3 | 目安 | H4 | H5 | サイズ | t1 | t2 | 日 | ||
| KTT-ST-J-30 | 20 | 10 | 300 | 360 | 320 | 70 | 20 | 4° | 390 | 350 | 1S | 1.2 | 1.2 | 30 | ○ |
| KTT-ST-J-36 | 35 | 14 | 360 | 430 | 380 | 70 | 20 | 3° | 450 | 410 | 1S | 1.2 | 1.2 | 30 | ○ |
| KTT-ST-J-43 | 65 | 21 | 430 | 470 | 480 | 70 | 20 | 3° | 550 | 500 | 1S | 1.2 | 1.5 | 30 | ○ |
| KTT-ST-J-47H | 100 | 32 | 470 | 565 | 620 | 70 | 20 | 2° | 690 | 640 | 1S | 1.5 | 1.5 | 30 | ○ |
| KTT-ST-J-565 | 150 | 42 | 565 | 635 | 650 | 90 | 30 | 3° | 740 | 680 | 2S | 1.5 | 1.5 | 35 | ○ |
| KTT-ST-J-565H | 200 | 53 | 565 | 635 | 930 | 90 | 30 | 3° | 1020 | 960 | 2S | 1.5 | 1.5 | 35 | ○ |

お客様の要望に合わせた装置の提案を致します
MONOVATEでは貯蔵容器の設計もご対応します!お客様の用途や業界のニーズに合わせて設計段階から緊密にコミュニケーションをとりながら、最適な形状や材質、機能を提案し実現します。当社の豊富な経験と実績を活かし、業務効率や製品の安全性を最優先に考慮した特注の貯蔵容器をお届けいたします。どんな要望もお気軽にご相談ください。
同カテゴリーのカスタマイズ製品事例
- 攪拌機、架台、二重ジャケット付混合容器【採用事例】一定温度内で薬剤を撹拌・混合するステンレスジャケット容器

製薬メーカー様納入
〇一定温度内で薬剤の撹拌(攪拌/かくはん)や混合を行なうステンレスジャケット容器のオーダーメイド事例です。
・開閉蓋より原料を投入し撹拌後、移動先にて下部の排出口を製造機器に配管し内容液を排出します。
- ワックス溶解ヒーターユニット【採用事例】過度の加熱による焦げや変性を防ぐ

界面活性剤メーカー様納入
○ワックスを溶解したまま保温するために使用される、ヒーターユニットのオーダーメイド事例です。
・これ1台で加温可能な【HU】ステンレス容器ヒーターユニットをベースに特注加工しています。





