製品仕様
容器本体・ジャケット…SUS304
蓋・取っ手・バンド…SUS304
パッキン… シリコンゴム(食品衛生法適合品)
ジャケット部ノズル…15Aヘルール
●表面処理:内外面バフ研磨
●使用条件(内槽・ジャケット):大気圧(加減圧不可
JAN: 4582136044975
特長
サイズ表
Q&A
カスタマイズ事例
○ジャケット部(外槽)に水を流し、内容物を保温・冷却できます。
○内槽の底板は排出方向に傾斜している為、液体が全て排出できます。
○ワンタッチ式レバーバンドで簡単に蓋の着脱ができ、洗浄も容易です。
○パッキンは食品衛生法適合品のシリコンゴムが標準です。
○受注生産品の為、「寸法」「材質」の変更や用途に合わせて特注加工ができます。
○キャスター脚付きタイプもあります。
断熱カバーで温調効率UP!

断熱カバーの詳細を見る
非密閉タイプもあります

この製品の詳細を見る
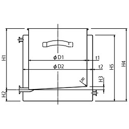
寸法参考図
サイズ表
| 型式 | 容量 | 重量 | 内径 | 内径 | 内高 | ドレン高 | 高低差 | 傾斜 | 全高 | ジャケット高 | 板厚 | 板厚 | ドレン | 納期 | RoHS |
|---|---|---|---|---|---|---|---|---|---|---|---|---|---|---|---|
| L | kg | D1 | D2 | H1 | H2 | H3 | 目安 | H4 | H5 | t1 | t2 | サイズ | 日 | ||
| KTT-CTL-J-30 | 20 | 11 | 300 | 360 | 320 | 70 | 20 | 4° | 390 | 350 | 1.2 | 1.2 | 1S | 30 | ○ |
| KTT-CTL-J-36 | 35 | 15 | 360 | 430 | 380 | 70 | 20 | 3° | 450 | 410 | 1.2 | 1.2 | 1S | 30 | ○ |
| KTT-CTL-J-43 | 65 | 22 | 430 | 470 | 480 | 70 | 20 | 3° | 550 | 500 | 1.2 | 1.5 | 1S | 30 | ○ |
| KTT-CTL-J-47H | 100 | 33 | 470 | 565 | 620 | 70 | 20 | 2° | 690 | 640 | 1.5 | 1.5 | 1S | 30 | ○ |
| KTT-CTL-J-565 | 150 | 44 | 565 | 635 | 650 | 90 | 30 | 3° | 740 | 680 | 1.5 | 1.5 | 2S | 35 | ○ |
| KTT-CTL-J-565H | 200 | 55 | 565 | 635 | 930 | 90 | 30 | 3° | 1020 | 960 | 1.5 | 1.5 | 2S | 35 | ○ |

お客様の要望に合わせた装置の提案を致します
MONOVATEでは貯蔵容器の設計もご対応します!お客様の用途や業界のニーズに合わせて設計段階から緊密にコミュニケーションをとりながら、最適な形状や材質、機能を提案し実現します。当社の豊富な経験と実績を活かし、業務効率や製品の安全性を最優先に考慮した特注の貯蔵容器をお届けいたします。どんな要望もお気軽にご相談ください。
同カテゴリーのカスタマイズ製品事例
- 撹拌機座付ジャケット容器【採用事例】高粘度の内容物を上記加熱・撹拌するステンレス容器

化粧品メーカー様納入
〇粘度の高い内容物を加熱・撹拌する、ステンレス容器のオーダーメイド事例です。
・ジャケットに蒸気を導入して粘度の高い内容物を加熱します。
- 加温ジャケット付傾斜底容器【採用事例】液体の加温・撹拌ができるステンレス容器

化学薬品メーカー様納入
〇液体を加温しながら撹拌するステンレス容器のオーダーメイド事例です。
・ジャケット部に挿し込んだヒーターで加温しながら、上部攪拌機にて混合します。





