製品仕様
画像は代表画像です。詳しい製品仕様・サイズは図面をご覧ください。
容器本体・蓋・取っ手・キャッチクリップ…SUS304
パッキン…シリコンゴム(食品衛生法適合品)
架台(アングル)…SUS304
キャスター材質…SUS+ウレタン車 (内ストッパー付2個)
吊りラグ(635、77、7Hサイズのみ)…SUS304●表面処理: 内外面バフ研磨
●使用条件: 大気圧(加減圧不可)容量:35L、45L、65L、80L、100L、150L、200L、300L、400L、500L
※その他の容量も製作できます。JAN: 4589691020611
○作業に合わせて容器と架台の分離・固定ができます。
○容器と架台は蝶ねじで取り付けでき、工具不要です。
○容器を架台から外して洗浄できるので、洗浄時間の短縮になります。
○容器と架台は丈夫でサビに強いSUS304製です。
○300L以上の容器は吊り上げ用に金具(穴)を取り付けています。
○容器のみの製品、作業台・取っ手・蓋置付きの製品もあります。
カスタマイズできます!
排出口はカスタマイズできます
内容物や配管に合わせて、排出口(ドレン)の「種類」や「サイズ」を変更できます。
お客様ご指定の継手での製作も可能です。
その他、蓋や架台、容器の高さなどのカスタマイズも可能です。
お気軽にご相談ください。
排出口の変換継手もあります
標準仕様のへルールドレンからニップルドレン・ソケットドレンへ都度変換できる便利な継手です。
容器のカスタマイズ対応がない分コストダウンになります。※洗浄性や排出性を重視される場合は、容器のカスタマイズがおすすめです。
ヘルールタイプの各種バルブを取り付けできます
選定やセットでの購入も承っております。お気軽にご相談ください。
関連製品
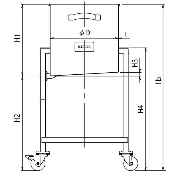
寸法参考図
サイズ表
| 型式 | 容量 | 容器重 | 架台重 | 内径 | 内高 | ドレン高 | 傾斜 | 架台高 | 全高 | 架台幅 | ドレン | 板厚 | 耐荷重 | 納期 |
|---|---|---|---|---|---|---|---|---|---|---|---|---|---|---|
| L | kg | kg | D | H1 | H2 | H3 | H4 | H5 | W | サイズ | t | kg | 日 | |
| KTT-CTH-ASC-36 | 35 | 7 | 10 | 360 | 380 | 500 | 20 | 650 | 880 | 510 | 1S | 1.2 | 259 | 30 |
| KTT-CTH-ASC-39 | 45 | 9 | 10 | 387 | 420 | 500 | 20 | 650 | 920 | 540 | 1S | 1.2 | 259 | 30 |
| KTT-CTH-ASC-43 | 65 | 11 | 11 | 430 | 480 | 500 | 20 | 700 | 980 | 590 | 1S | 1.2 | 259 | 30 |
| KTT-CTH-ASC-47 | 80 | 15 | 24 | 470 | 500 | 500 | 20 | 700 | 1000 | 650 | 1S | 1.5 | 390 | 30 |
| KTT-CTH-ASC-47H | 100 | 17 | 24 | 470 | 620 | 500 | 20 | 700 | 1120 | 650 | 1S | 1.5 | 390 | 30 |
| KTT-CTH-ASC-565 | 150 | 23 | 27 | 565 | 650 | 400 | 30 | 750 | 1050 | 750 | 2S | 1.5 | 390 | 30 |
| KTT-CTH-ASC-565H | 200 | 29 | 27 | 565 | 930 | 400 | 30 | 750 | 1330 | 750 | 2S | 1.5 | 390 | 30 |
| KTT-CTH-ASC-635 | 300 | 38 | 32 | 635 | 1030 | 400 | 30 | 800 | 1430 | 860 | 2S | 1.5 | 489 | 30 |
| KTT-CTH-ASC-77 | 400 | 58 | 62 | 770 | 930 | 400 | 30 | 850 | 1330 | 1080 | 2S | 2.0 | 816 | 35 |
| KTT-CTH-ASC-77H | 500 | 66 | 62 | 770 | 1130 | 400 | 30 | 850 | 1530 | 1080 | 2S | 2.0 | 816 | 35 |
- アングルではなくパイプの架台は作れますか?
製作可能です。
- 容量や大きさの変更はできますか?
変更可能です。詳細をお知らせください。
- 容器をフォークリフトで持ち上げたいのだが…
フォークリフト用の金具を取り付けいたします。
- 排出口の種類やサイズ、位置を変えたい。
変更可能です。ご希望をお聞かせください。
- 容器と架台が一体になっているものはありますか?
キャスター脚付の容器がございます(KTT-L)。

お客様の要望に合わせた装置の提案を致します
MONOVATEでは貯蔵容器の設計もご対応します!お客様の用途や業界のニーズに合わせて設計段階から緊密にコミュニケーションをとりながら、最適な形状や材質、機能を提案し実現します。当社の豊富な経験と実績を活かし、業務効率や製品の安全性を最優先に考慮した特注の貯蔵容器をお届けいたします。どんな要望もお気軽にご相談ください。
同カテゴリーのカスタマイズ製品事例
- 安全センサ付き撹拌温調ユニット(蓋拡張)【採用事例】運転中の撹拌機に手が触れない安全対策カスタマイズ

○食品業界採用事例
調味液の混合に使用する撹拌温調ユニット。
撹拌機は内容物に合わせたハイパワー仕様、制御盤で回転数等の操作が可能です。
洗浄がしやすいように、シャフトと撹拌体を一体型(隙間がない全周溶接)にしました。
- 安全センサ付き撹拌温調ユニット(蓋拡張)【採用事例】運転中の撹拌機に手が触れない安全対策カスタマイズ

○食品業界採用事例
調味液の混合に使用する撹拌温調ユニット。
撹拌機は内容物に合わせたハイパワー仕様、制御盤で回転数等の操作が可能です。
洗浄がしやすいように、シャフトと撹拌体を一体型(隙間がない全周溶接)にしました。













