製品仕様
容器本体・袴…SUS304
蓋【MF】…SUS304
取っ手…SUS304
キャッチクリップ…SUS304
パッキン【PQA/PQB】… シリコンゴム(食品衛生法適合品)
※KTT-CTH-18~47HはA型パッキン【PQA】、KTT-CTH-565以上はB型パッキン【PQB】が標準で付属します。
●表面処理:内外面バフ研磨
●使用条件:大気圧(加減圧不可)
容量:4L、7L、10L、15L、20L、25L、35L、45L、65L、80L、100L、150L、200L、300L、400L、500L、750L、1000L
その他の容量は特注にて対応致しますので、お問い合わせください。
※容器運搬台車【KMシリーズ】に乗せることができます。
JAN: 4560132184765
○底板が排出方向に傾斜しているため、液体が全て排出できます。
○排出口が容器側面についているので、配管の取り回しが短くできます。
○パッキンは食品衛生法適合品のシリコンゴム製です。
○板厚はt1.0~t2.0の薄板で製作しており、移動や容器の洗浄の際に簡単に取り扱えます。
○底の角は汚れが溜まりにくいR構造です。
○ポンプを接続して送液できます。
片テーパー型容器の特長
手動二方ボールバルブが取り付けできます
【KTT-ST-BV】

排出口はカスタマイズできます
排出口の標準仕様はヘルール継手ですが、内容物や配管に合わせて排出口の「種類」と「サイズ」を変更できます。
お客様ご指定の継手での製作も可能ですので、ご希望の仕様がございましたら気軽にお問い合わせください。
排出口の変換継手もあります
変換継手(ジョイント継手)を使用すれば、タンクへの追加工なしで排出口を標準仕様のへルール接続からねじ込み継手(ニップル・ソケット)へ変換できます。
変換継手はお客様のご希望の継手種類・サイズで製作することも可能ですので、気軽にお問い合わせください。
容器運搬用台車(別売り)
容器の移動には、当社の容器運搬用台車【KMシリーズ】がご使用いただけます。

袴に円板が付くサイズも運搬台車を使用できます。
KTT-CTH-18(円板外径:φ300mm)
→適応台車:KM-30/KMS-30など
KTT-CTH-21(円板外径:φ330mm)
→適応台車:KM-33/KMS-33など
KTT-CTH-24(円板外径:φ360mm)
→適応台車:KM-36/KMS-36など
KTT-CTH-27(円板外径:φ390mm)
→適応台車:KM-39/KMS-39など
装置に組み込める、ブラケット付きのステンレス容器もあります

作業に合わせて容器の取り付け・取り外しができます。
内容物に応じて容器を入れ替えて使用したり、洗浄時には容器を取り外して洗浄できます。
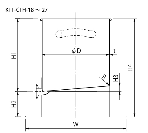
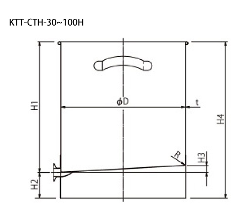
寸法参考図
サイズ表
| 型式 | 容量 | 質量 | 内径 | 内高 | ドレン高 | 高低差 | 傾斜 | 全高 | 全幅 | ドレン | 底 | 板厚 | 納期 | RoHS |
|---|---|---|---|---|---|---|---|---|---|---|---|---|---|---|
| L | ㎏ | D | H1 | H2 | H3 | 目安 | H4 | W | サイズ | R | t | 日 | ||
| KTT-CTH-18 | 4 | 準備中 | 180 | 200 | 90 | 20 | 6° | 290 | 300 | 1S | 5 | 1.0 | 25 | ○ |
| KTT-CTH-21 | 7 | 準備中 | 210 | 230 | 90 | 20 | 5° | 320 | 330 | 1S | 5 | 1.0 | 25 | ○ |
| KTT-CTH-24 | 10 | 準備中 | 240 | 260 | 90 | 20 | 5° | 350 | 360 | 1S | 5 | 1.0 | 25 | ○ |
| KTT-CTH-27 | 15 | 準備中 | 270 | 290 | 90 | 20 | 4° | 380 | 390 | 1S | 5 | 1.0 | 25 | ○ |
| KTT-CTH-30 | 20 | 6 | 300 | 320 | 75 | 20 | 4° | 395 | 380 | 1S | 5 | 1.0 | 2~3 | ○ |
| KTT-CTH-33 | 25 | 7 | 330 | 350 | 75 | 20 | 3° | 425 | 436 | 1S | 5 | 1.0 | 2~3 | ○ |
| KTT-CTH-36 | 35 | 8 | 360 | 380 | 75 | 20 | 3° | 455 | 469 | 1S | 5 | 1.0 | 2~3 | ○ |
| KTT-CTH-39 | 45 | 9 | 387 | 420 | 75 | 20 | 3° | 495 | 496 | 1S | 5 | 1.0 | 2~3 | ○ |
| KTT-CTH-43 | 65 | 11 | 430 | 480 | 80 | 20 | 3° | 560 | 548 | 1S | 5 | 1.0 | 2~3 | ○ |
| KTT-CTH-47 | 80 | 15 | 470 | 500 | 85 | 20 | 2° | 585 | 592 | 1S | 5 | 1.2 | 2~3 | ○ |
| KTT-CTH-47H | 100 | 16 | 470 | 620 | 85 | 20 | 2° | 705 | 592 | 1S | 5 | 1.2 | 2~3 | ○ |
| KTT-CTH-565 | 150 | 20 | 565 | 650 | 90 | 30 | 3° | 740 | 690 | 2S | 5 | 1.2 | 2~3 | ○ |
| KTT-CTH-565H | 200 | 25 | 565 | 930 | 90 | 30 | 3° | 1020 | 690 | 2S | 5 | 1.2 | 2~3 | ○ |
| KTT-CTH-635 | 300 | 37 | 635 | 1030 | 90 | 30 | 3° | 1120 | 750 | 2S | 15 | 1.5 | 25 | ○ |
| KTT-CTH-77 | 400 | 56 | 770 | 930 | 90 | 30 | 2° | 1020 | 887 | 2S | 15 | 2.0 | 30 | ○ |
| KTT-CTH-77H | 500 | 64 | 770 | 1130 | 90 | 30 | 2° | 1220 | 887 | 2S | 15 | 2.0 | 30 | ○ |
| KTT-CTH-100 | 750 | 93 | 1000 | 1080 | 90 | 50 | 3° | 1170 | 1119 | 2S | 20 | 2.0 | 30 | ○ |
| KTT-CTH-100H | 1000 | 108 | 1000 | 1390 | 90 | 50 | 3° | 1480 | 1119 | 2S | 20 | 2.0 | 30 | ○ |
- 容器の材質変更は出来ますか?
出来ます。SUS316Lがあります。
- パッキンはシリコン以外の材質がありますか?
フッ素ゴムなどの材質もあります。
- 耐食性が必要なのですが…
フッ素樹脂コーティングの表面処理もあります。
- ドレンノズルは変更出来ますか?
サイズ違いやニップル、ソケット等に変更出来ます。

お客様の要望に合わせた装置の提案を致します
MONOVATEでは貯蔵容器の設計もご対応します!お客様の用途や業界のニーズに合わせて設計段階から緊密にコミュニケーションをとりながら、最適な形状や材質、機能を提案し実現します。当社の豊富な経験と実績を活かし、業務効率や製品の安全性を最優先に考慮した特注の貯蔵容器をお届けいたします。どんな要望もお気軽にご相談ください。
同カテゴリーのカスタマイズ製品事例
- 安全センサ付き撹拌温調ユニット(蓋拡張)【採用事例】運転中の撹拌機に手が触れない安全対策カスタマイズ

○食品業界採用事例
調味液の混合に使用する撹拌温調ユニット。
撹拌機は内容物に合わせたハイパワー仕様、制御盤で回転数等の操作が可能です。
洗浄がしやすいように、シャフトと撹拌体を一体型(隙間がない全周溶接)にしました。
- 高粘度液貯蔵排出容器【採用事例】高粘度液を次工程へスムーズに排出

食品添加物メーカー様納入
○粘度のある液体の貯蔵・排出で使用する、片テーパー型ステンレス容器(KTT-CTL-43)のオーダーメイド事例です。

















