製品仕様
架台(アングル)…SUS304
キャスター材質…SUS+ウレタン車 (内ストッパー付2個)
パッキン…シリコンゴム(食品衛生法適合品)
●表面処理: 内外面バフ研磨
●使用条件: 大気圧(加減圧不可)
容量:35L、45L、65L、80L、150L
底板傾斜角度:約3度
※撹拌機は別売りです。別途お打ち合わせにより、お見積りいたします。
※お手持ちのクランプ式撹拌機(ミキサー)に合わせての設計・製作も承ります
JAN: 4589691039187
架台に撹拌機を取り付けるための撹拌機座を設けた、架台付きの容器です。
容器の底は排出口に向かって傾斜している片テーパー型で、スムーズに液体を排出します。
○【KTT-ASC】片テーパー型容器 架台付に撹拌機を取り付けるための台座を付けたモデルです(クランプ止め)。
○容器と架台は蝶ねじで取り付けるため、工具不要で簡単に取り外しできます。洗浄の際などに便利です。
○内容物の確認をしたり、材料の投入をしたりするのに便利な割蓋が付いています。
○容器、撹拌機をそれぞれ取り外しできるので、工程間の移動などの際に便利です。
排出性の高い片テーパー型容器
容器の底が排出口に向かって傾いているため、排出性に優れています。排出時間を短縮すると同時に、液溜まりを防ぎます。

容器の転倒リスクを低減するオプション
通常の位置に撹拌機を設置すると重心は容器の外側になるため、特に重い撹拌機を設置した場合には、容器が転倒する可能性があります。それを防ぐために、撹拌機を固定する位置を前に出すことで重心を中央寄りにし、容器を安定させることもできます。
ドレン排出口も変更できます

お客様ご指定の継手での製作も可能です。
ドレン排出口の変換継手もあります
標準仕様のヘルールドレンからニップルドレン・ソケットドレンへ都度交換できる便利な継手です。
このほかにも多様なラインナップがあります
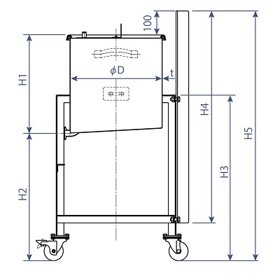
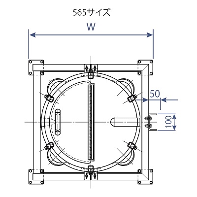
寸法参考図
サイズ表
| 型式 | 容量 | 容器重 | 架台重 | 内径 | 内高 | ドレン高 | 架台高 | 撹拌機座高 | 全高 | 架台幅 | ドレン | 板厚 | 耐荷重 | 納期 |
|---|---|---|---|---|---|---|---|---|---|---|---|---|---|---|
| L | kg | kg | D | H1 | H2 | H3 | H4 | H5 | W | サイズ | t | kg | 日 | |
| KTT-ASC-K-36 | 35 | 7 | 18 | 360 | 380 | 500 | 650 | 832 | 980 | 510 | 1S | 1.2 | 259 | 30 |
| KTT-ASC-K-39 | 45 | 8 | 18 | 387 | 420 | 500 | 650 | 872 | 1020 | 540 | 1S | 1.2 | 259 | 30 |
| KTT-ASC-K-43 | 65 | 10 | 19 | 430 | 480 | 500 | 700 | 932 | 1080 | 590 | 1S | 1.2 | 259 | 30 |
| KTT-ASC-K-47 | 80 | 14 | 32 | 470 | 500 | 500 | 700 | 915 | 1100 | 650 | 1S | 1.5 | 390 | 30 |
| KTT-ASC-K-565 | 150 | 22 | 35 | 565 | 650 | 400 | 750 | 865 | 1150 | 750 | 2S | 1.5 | 390 | 30 |
- 排出口の種類やサイズ、位置を変えたい。
変更可能です。お問い合わせの際にお伝えください。
- 容量や大きさの変更は可能ですか?
特注にてご対応します。お客さまのご要望をお知らせください。
- 耐食性が必要なのですが・・・
フッ素樹脂コーティングなどの表面処理ができます。
- 材質の変更はできますか?
より耐食性の高いSUS316Lでも製作できます。

お客様の要望に合わせた装置の提案を致します
MONOVATEでは貯蔵容器の設計もご対応します!お客様の用途や業界のニーズに合わせて設計段階から緊密にコミュニケーションをとりながら、最適な形状や材質、機能を提案し実現します。当社の豊富な経験と実績を活かし、業務効率や製品の安全性を最優先に考慮した特注の貯蔵容器をお届けいたします。どんな要望もお気軽にご相談ください。
同カテゴリーのカスタマイズ製品事例
- 化粧品原料加熱溶解用 ヒーターユニット【採用事例】内容物を最高150℃まで昇温

○化粧品業界納入事例
化粧品原料(ワックス)を加熱、溶解するためのヒーター付きステンレス容器です。
- リフター付きレシーバータンク【採用事例】食品原料の貯蔵・排出用ステンレスタンクのオーダーメイド事例です

食品業界採用事例
食品加工用原料のレシーバータンクのカスタマイズ事例です。
















