製品仕様
画像は代表画像です。サイズにより仕様が異なります。詳細は図面をご覧ください。
容器本体・蓋・取っ手…SUS304
架台…SUS304
キャスター材質…SUS+ウレタン車 (内ストッパー付2個)
吊りラグ(565サイズのみ)…SUS304
ジャケット部ノズル…1Sヘルール●表面処理:内外面バフ研磨
●使用条件:大気圧(加減圧不可)
※ジャケットに圧力をかけたい場合はご相談ください。容量:35L、45L、60L、80L、100L、150L
※その他の容量も製作できます。JAN: 4589691032638
○作業に合わせて、工具不要で容器と架台の分離・固定ができます。
○容器を架台から外して洗浄できるので、洗浄時間の短縮になります。
○容器と架台は丈夫でサビに強いSUS304製です。
○水を流して内容物を保温・冷却できるジャケット(外槽)付きです。
○150Lの容器は吊り上げ用に金具(穴)を取り付けています。
○容器のみの製品もあります。
キャッチクリップ式も製作できます
型式【HT-ST-J-ASC】※クリップ取付の都合上、ST/CTLよりジャケット部分の高さが低くなります。

関連製品
断熱カバーで温調効率UP!

断熱カバーの詳細を見る
内槽が異なる形状の製品もあります

この製品の詳細を見る
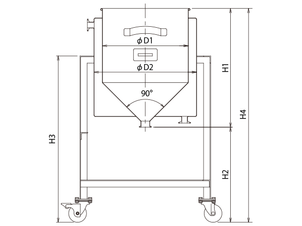
寸法参考図
サイズ表
| 型式 | 容量 | 重量 | 内径 | 内径 | 容器高 | ドレン高 | 架台高 | 全高 | 架台幅 | ドレン | 耐荷重 | 納期 |
|---|---|---|---|---|---|---|---|---|---|---|---|---|
| L | kg | D1 | D2 | H1 | H2 | H3 | H4 | W | サイズ | kg | 日 | |
| HT-ST-J-ASC-36 | 35 | 26 | 360 | 430 | 500 | 400 | 700 | 900 | 590 | 1.5S | 259 | 35 |
| HT-ST-J-ASC-39 | 45 | 27 | 387 | 430 | 545 | 400 | 700 | 945 | 590 | 1.5S | 259 | 35 |
| HT-ST-J-ASC-43 | 60 | 44 | 430 | 470 | 575 | 400 | 700 | 975 | 650 | 2S | 390 | 35 |
| HT-ST-J-ASC-47 | 80 | 57 | 470 | 565 | 645 | 400 | 750 | 1045 | 750 | 2S | 390 | 35 |
| HT-ST-J-ASC-47H | 100 | 61 | 470 | 565 | 755 | 400 | 750 | 1155 | 750 | 2S | 390 | 35 |
| HT-ST-J-ASC-565 | 150 | 76 | 565 | 635 | 825 | 400 | 800 | 1225 | 860 | 2S | 489 | 40 |
- 加圧できますか?
加圧できません。圧力容器をご検討ください。
- 架台や容器のカスタマイズはできますか?
高さを変えたり、部品を取り付けたりできます。ご希望の仕様をお聞かせください。
- 容器をフォークリフトで持ち上げたいのだが…
フォークリフト用の金具を取り付けいたします。
- 容器と架台が一体になっているものはありますか?
キャスター脚付の容器がございます。
- 蓋のカスタマイズはできますか?
蓋の半分だけ開閉できるようにしたり、継手を付けることができます。製品例はこちら

お客様の要望に合わせた装置の提案を致します
MONOVATEでは貯蔵容器の設計もご対応します!お客様の用途や業界のニーズに合わせて設計段階から緊密にコミュニケーションをとりながら、最適な形状や材質、機能を提案し実現します。当社の豊富な経験と実績を活かし、業務効率や製品の安全性を最優先に考慮した特注の貯蔵容器をお届けいたします。どんな要望もお気軽にご相談ください。
同カテゴリーのカスタマイズ製品事例
- 温調ユニットセパレート型ジャケット付撹拌容器【採用事例】温水用タンクを分けた「セパレート型」で長期的なコスト削減

製薬メーカー様納入
○不溶性粉末が入った100Lの液体を撹拌できる容器のオーダーメイド事例です。
・この製品はジャケット付撹拌容器と温調ユニット(温水循環装置)の二つからなる製品です。
- 200L 液調製タンク【採用事例】錠剤表面のコーティング剤を

製薬メーカー様納入
○錠剤等の表面をコートするコーティング剤を作るために使用される、ステンレス容器のオーダーメイド事例です。
・容器にコーティングの原料と純水を投入し、エアーモーター撹拌機(攪拌機/かくはん機)にて撹拌します。










