製品仕様
容器本体・ジャケット…SUS304
蓋・脚・取っ手…SUS304
クリップ・バンド…SUS304
パッキン… シリコンゴム(食品衛生法適合品)
キャスター… SUS+ウレタン車(内ストッパー付2 個)
ジャケット部ノズル…1S ヘルール
●表面処理:内外面バフ研磨
● 使用条件(内槽・ジャケット):大気圧(加減圧不可)
JAN: 4582136045712
○脚付のホッパー容器HT-CTL-Lにジャケットを付けました。
○保温、冷却用として使用されます。
○底板がホッパー形状になっている為、液体の排出性に優れています。
○受注生産品ですので、「寸法」「材質」の変更や用途に合わせて特注加工ができます。
○パッキンは食品衛生法適合品のシリコンゴム製です。
○脚なしタイプもあります。
蓋は用途に合わせて「ST」「CTL」から選択できます断熱カバーで温調効率UP!

断熱カバーの詳細を見る
非密閉タイプもあります

この製品の詳細を見る
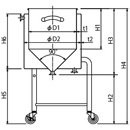
寸法参考図
サイズ表
| 型式 | 容量 | 重量 | 内径 | 内径 | 高さ | 容器高 | 全高 | 高さ | 高さ | 板厚 | 板厚 | ドレン | 脚本数 | 耐荷重 | 納期 | RoHS |
|---|---|---|---|---|---|---|---|---|---|---|---|---|---|---|---|---|
| L | kg | D1 | D2 | H1 | H3 | H4 | H5 | H6 | t1 | t2 | サイズ | 本 | kg | 日 | ||
| HT-CTL-J-L-36 | 35 | 17 | 360 | 430 | 312 | 500 | 900 | 455 | 519 | 1.2 | 1.2 | 1.5S | 3 | 122 | 35 | ○ |
| HT-CTL-J-L-43 | 60 | 26 | 430 | 470 | 358 | 575 | 975 | 455 | 491 | 1.2 | 1.5 | 2S | 4 | 259 | 35 | ○ |
| HT-CTL-J-L-47H | 100 | 42 | 470 | 565 | 518 | 755 | 1155 | 455 | 579 | 1.5 | 1.5 | 2S | 4 | 390 | 35 | ○ |
| HT-CTL-J-L-565 | 150 | 54 | 565 | 635 | 541 | 825 | 1225 | 455 | 640 | 1.5 | 1.5 | 2S | 4 | 490 | 40 | ○ |
| HT-CTL-J-L-635 | 200 | 75 | 635 | 700 | 556 | 875 | 1275 | 455 | 738 | 1.5 | 1.5 | 2S | 4 | 816 | 40 | ○ |
| HT-CTL-J-L-77 | 300 | 115 | 770 | 1000 | 568 | 955 | 1355 | 455 | 976 | 2 | 2 | 2S | 4 | 1142 | 40 | ○ |
- 容器の材質は変更できますか?
できます。SUS316Lがあります。
- カタログにないサイズ、容量はできますか?ドレンノズルも変更したいのですが。
近い容量の容器の高さを変えて製作いたします。ドレンノズルはサイズ違いやニップル、ソケット等に変更できます。
- 圧力をかけられますか?
加圧は出来ません。加圧容器をご使用ください。
- パッキンはシリコン以外の材質がありますか?
フッ素ゴムなどの材質があります。
- ホッパータンクとコニカルタンクの違いは?
ホッパーはロートやじょうごのような形状、コニカルは円錐形状を指すようですが明確な決まりはなく、弊社ではどちらもホッパーと呼んでいます。

お客様の要望に合わせた装置の提案を致します
MONOVATEでは貯蔵容器の設計もご対応します!お客様の用途や業界のニーズに合わせて設計段階から緊密にコミュニケーションをとりながら、最適な形状や材質、機能を提案し実現します。当社の豊富な経験と実績を活かし、業務効率や製品の安全性を最優先に考慮した特注の貯蔵容器をお届けいたします。どんな要望もお気軽にご相談ください。
同カテゴリーのカスタマイズ製品事例
- 攪拌機、架台、二重ジャケット付混合容器【採用事例】一定温度内で薬剤を撹拌・混合するステンレスジャケット容器

製薬メーカー様納入
〇一定温度内で薬剤の撹拌(攪拌/かくはん)や混合を行なうステンレスジャケット容器のオーダーメイド事例です。
・開閉蓋より原料を投入し撹拌後、移動先にて下部の排出口を製造機器に配管し内容液を排出します。
- 温調ユニットセパレート型ジャケット付撹拌容器【採用事例】温水用タンクを分けた「セパレート型」で長期的なコスト削減

製薬メーカー様納入
○不溶性粉末が入った100Lの液体を撹拌できる容器のオーダーメイド事例です。
・この製品はジャケット付撹拌容器と温調ユニット(温水循環装置)の二つからなる製品です。





