品番:HT-CTH-L

ホッパー型密閉容器 脚付 クリップ式【HT-CTH-L】

キャスター脚の付いたステンレスホッパー容器です。簡単に蓋を固定できるクリップタイプです。
¥341,594 (税込)

バリエーション選択

バリエーションを選択してください

カスタム加工選択

もっと見る 閉じる

各種ダウンロード

  • 図面ダウンロード(会員)

図面ダウンロード

会員登録すると、以下のデータを無料でダウンロードできます


製品CAD図面:PDF・DXF・DWG / 証明書:材料証明書・RoHS2指令適合証明書


※製品により、CADデータや証明書を公開していないものがございます。
※「アクセサリー」「オプション加工」「撹拌機」、その他一部の図面は公開しておりません。ご了承ください。

特長
サイズ表
Q&A
カスタマイズ事例

○底板がホッパー形状になっている為、液等の排出性に優れています。

○キャスター脚が付いているので、容器ごと工程間での移動が出来ます。

○ホッパー容器の下に、受け(小分け)用の別容器が入るスペースがあります。

○ホッパーと胴の境目は、汚れが溜まりにくいR構造です。

○受注生産品ですので、「寸法」「材質」変更や、用途に合わせ特注加工が出来ます。

ドレン排出口の変更が可能です

ホッパータンクの製品ラインナップを見る

ホッパー容器の角度、ドレン排出口は変更可能

内容物やお客様のご希望に合わせて、ホッパーの角度を変更できます(60°~135°)。

その他の角度についてはお問い合わせください。

HT-CTH-L_p_02

内容物や接続先のバルブ/配管に合わせて、排出口の種類サイズを変更できます。

別規格のヘルールへの変更、ニップル、フランジなど継手の種類を変更することもできます。

お客様のご希望のメーカーやサイズ等があれば、そちらをステンレス容器に取り付けることも可能です。

詳細はお問い合わせください。

HT_01HT_02

各種バルブを取り付けできます

バルブや接続先の機器等に合わせて、ホッパータンクを製作することもできます。

ステンレス容器とバルブをまとめての選定もお任せください。

架台と容器が分離できる、ブラケットや架台が付いたホッパー製品もあります

作業に合わせて容器の取り付け・取り外しができます。

内容物に応じて容器を入れ替えて使用したり、洗浄時には容器を取り外して洗浄できます。

作業をムダなく、効率的に進めるのにお役立ていただけます。

詳しく見る

ホッパー角度の変更が可能です

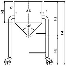
寸法参考図

サイズ表

型式 容量 内径 高さ 容器高 ドレン高 全高 ドレン 板厚 脚本数 納期 重量 脚幅 許容荷重 RoHS
L D H1 H2 H3 H4 サイズ W
HT-CTH-L-30 20 300 267 425 400 825 1.5S 1.2 3 20 8 402 97
HT-CTH-L-33 25 330 262 435 400 835 1.5S 1.2 3 20 9 428 97
HT-CTH-L-36 35 360 312 500 400 900 1.5S 1.2 3 20 10 454 122
HT-CTH-L-39 45 387 344 545 400 945 1.5S 1.2 3 20 12 478 122
HT-CTH-L-43 60 430 358 575 400 975 2S 1.2 3 20 13 515 122
HT-CTH-L-47 80 470 408 645 400 1045 2S 1.5 4 30 18 491 259
HT-CTH-L-47H 100 470 518 755 400 1155 2S 1.5 4 30 22 491 259
HT-CTH-L-565 150 565 541 825 400 1225 2S 1.5 4 30 31 579 390
HT-CTH-L-635 200 635 556 875 400 1275 2S 1.5 4 30 34 628 390
HT-CTH-L-77 300 770 568 955 400 1355 2S 2.0 4 35 65 788 816
HT-CTH-L-100 400 1000 398 900 400 1300 2S 2.0 4 35 84 976 1142
HT-CTH-L-100H 500 1000 538 1040 400 1440 2S 2.0 4 35 91 976 1142
容器の材質は変更出来ますか?

出来ます。SUS316L があります。

耐食性が必要なのですが…

フッ素樹脂コーティングの表面処理が出来ます。

カタログにないサイズ、容量はできますか?ドレンノズルも変更したいのですが。

近い容量の容器の高さを変えて製作いたします。ドレンノズルはサイズ違いやニップル、ソケット等に変更出来ます。

圧力をかけられますか?

加圧は出来ません。加圧容器をご使用ください。

ホッパータンクとコニカルタンクの違いは?

ホッパーはロートやじょうごのような形状、コニカルは円錐形状を指すようですが明確な決まりはなく、弊社ではどちらもホッパーと呼んでいます。

お客様の要望に合わせた装置の提案を致します

MONOVATEでは貯蔵容器の設計もご対応します!お客様の用途や業界のニーズに合わせて設計段階から緊密にコミュニケーションをとりながら、最適な形状や材質、機能を提案し実現します。当社の豊富な経験と実績を活かし、業務効率や製品の安全性を最優先に考慮した特注の貯蔵容器をお届けいたします。どんな要望もお気軽にご相談ください。

同カテゴリーのカスタマイズ製品事例

  • 暴露対策付きの溶剤洗浄用ステンレスタンク【採用事例】
    有機溶剤の揮発気体を捕集

    化学業界採用事例

    有機溶剤による部品洗浄時に使用する、ステンレスタンクのオーダーメイド事例です。

    洗浄後の廃液を下部から排出できるホッパー型で、上部のフードからは揮発気体(溶剤ガス)を捕集し、作業者への暴露を低減します。

  • パンチングホッパー サイクロン密閉容器【採用事例】
    エアーで搬送された材料を、材料のみ次工程へ投入するための容器

    食品機械メーカー様納入

    〇材料とエアーの分離に使用する、ステンレスサイクロンのオーダーメイド事例です。

    ・エアーと共に搬送された材料を、材料のみ製造機械へ投入するために使用します。

ユーザーレビュー

この商品に寄せられたレビューはまだありません。