製品仕様
画像は代表画像です。詳しい製品仕様・サイズは図面をご覧ください。
容器本体・蓋・取っ手・キャッチクリップ…SUS304
パッキン…シリコンゴム(食品衛生法適合品)
架台(アングル)…SUS304
キャスター材質…SUS+ウレタン車 (内ストッパー付2個)
吊りラグ(635、77、100、100Hサイズのみ)…SUS304
※100、100Hサイズの蓋には取っ手が2個付いています。●表面処理: 内外面バフ研磨
●使用条件: 大気圧(加減圧不可)容量:35L、45L、60L、80L、100L、150L、200L、300L、400L、500L
※その他の容量も製作できます。JAN: 4589691020918
○作業に合わせて容器と架台の分離・固定ができます。
○容器と架台は蝶ねじで取り付けでき、工具不要です。
○容器を架台から外して洗浄できるので、洗浄時間の短縮になります。
○容器と架台は丈夫でサビに強いSUS304製です。
○200L以上の容器は吊り上げ用に金具(穴)を取り付けています。
○容器のみの製品、作業台・取っ手・蓋置付きの製品もあります。
カスタマイズできます!
ホッパー角度をカスタマイズできます
内容物や仕様に合わせて、角度を60°~135°まで変更できます。
その他の角度はお問い合わせください。
排出口の「種類」や「サイズ」をカスタマイズできます。
内容物や配管に合わせて、ヘルールサイズの変更が可能です。
ニップル、フランジ等への継手種類の変更、お客様ご指定の継手での製作も可能です。
お気軽にご相談ください。

ヘルール式の各種バルブを取り付けできます
選定やセットでの購入も承っております。お気軽にご相談ください。
関連製品
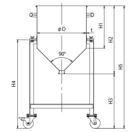
寸法参考図
サイズ表
| 型式 | 容量 | 容器重 | 架台重 | 内径 | 高さ | 容器高 | ドレン高 | 架台高 | 全高 | 架台幅 | ドレン | 板厚 | 耐荷重 | 納期 |
|---|---|---|---|---|---|---|---|---|---|---|---|---|---|---|
| L | kg | kg | D | H1 | H2 | H3 | H4 | H5 | W | サイズ | t | kg | 日 | |
| HT-CTH-ASC-36 | 35 | 7 | 10 | 360 | 312 | 500 | 400 | 650 | 900 | 510 | 1.5S | 1.2 | 259 | 30 |
| HT-CTH-ASC-39 | 45 | 9 | 10 | 387 | 344 | 545 | 400 | 650 | 945 | 540 | 1.5S | 1.2 | 259 | 30 |
| HT-CTH-ASC-43 | 60 | 10 | 11 | 430 | 358 | 575 | 400 | 700 | 975 | 590 | 2S | 1.2 | 259 | 30 |
| HT-CTH-ASC-47 | 80 | 15 | 24 | 470 | 408 | 645 | 400 | 700 | 1045 | 650 | 2S | 1.5 | 390 | 30 |
| HT-CTH-ASC-47H | 100 | 17 | 24 | 470 | 518 | 755 | 400 | 700 | 1155 | 650 | 2S | 1.5 | 390 | 30 |
| HT-CTH-ASC-565 | 150 | 22 | 27 | 565 | 541 | 825 | 400 | 750 | 1225 | 750 | 2S | 1.5 | 390 | 30 |
| HT-CTH-ASC-635 | 200 | 29 | 32 | 635 | 556 | 875 | 400 | 800 | 1275 | 860 | 2S | 1.5 | 489 | 30 |
| HT-CTH-ASC-77 | 300 | 48 | 62 | 770 | 568 | 955 | 400 | 850 | 1355 | 1080 | 2S | 2.0 | 816 | 35 |
| HT-CTH-ASC-100 | 400 | 58 | 77 | 1000 | 398 | 900 | 400 | 1000 | 1300 | 1280 | 2S | 2.0 | 1142 | 35 |
| HT-CTH-ASC-100H | 500 | 64 | 77 | 1000 | 538 | 1040 | 400 | 1000 | 1440 | 1280 | 2S | 2.0 | 1142 | 35 |
- アングルではなくパイプの架台は作れますか?
製作可能です。
- 容量や大きさの変更はできますか?
変更可能です。詳細をお知らせください。
- 容器をフォークリフトで持ち上げたいのだが…
フォークリフト用の金具を取り付けいたします。
- 排出口の種類やサイズ、位置を変えたい。
変更可能です。ご希望をお聞かせください。
- 容器と架台が一体になっているものはありますか?
キャスター脚付の容器がございます(HT-L)。

お客様の要望に合わせた装置の提案を致します
MONOVATEでは貯蔵容器の設計もご対応します!お客様の用途や業界のニーズに合わせて設計段階から緊密にコミュニケーションをとりながら、最適な形状や材質、機能を提案し実現します。当社の豊富な経験と実績を活かし、業務効率や製品の安全性を最優先に考慮した特注の貯蔵容器をお届けいたします。どんな要望もお気軽にご相談ください。
同カテゴリーのカスタマイズ製品事例
- 化粧品原料ろ過容器【採用事例】化粧品原料のろ過工程でご採用いただいたカスタマイズ事例

○化粧品業界採用事例
化粧品原料のろ過工程でご採用いただいた製品です。
当社ラインナップの【QR-100M】吸引ろ過容器をベースに、ろ過にかかる時間を短縮できる仕様にカスタマイズしました。 - ステンレス製サイクロン式分離密閉容器【採用事例】圧送されてきた薬剤を回収

製薬メーカー様納入
〇製造工程で使用される少生産用のサイクロン付き密閉容器です。
・圧送されてきた薬剤はサイクロン部でエアーと薬剤に分離されます。











