品番:FK-CTH-F

粉体回収ステンレス容器(へルール2S形状)【FK-CTH-F】

機器に接続しやすいへルールタイプへルール接続なので着脱や取り扱いが簡単です。
¥66,055(税込)

バリエーション選択

バリエーションを選択してください

カスタム加工選択

もっと見る 閉じる

各種ダウンロード

  • 図面ダウンロード(会員)

図面ダウンロード

会員登録を行うと図面データをダウンロードできます。

※一部、CADデータを公開していないものがございます。

※「アクセサリー」「オプション加工」「攪拌機」、その他一部の図面は公開しておりません。ご了承ください。

特長
サイズ表
Q&A

○粉砕機・ふるい機・サイクロンや集塵機等の設備での粉粒体の回収に活躍します。

○ステンレス蓋とステンレス容器がワンタッチで取り外しできるキャッチクリップ式です。

○機器との接続形状は選択できます。

○既存の装置に合わせた形状でのオーダーメイドの設計・製作が単品から可能です。

オプション:容器運搬用台車

内径φ300mm以上の容器には、容器運搬用台車をご使用いただけます。その他のサイズは特注対応となります。

対応台車型式:KM/KM-T/KMS/KMS-T/KMS-A/KMD/KMSD/

台車の製品ラインナップを見る

 

台車選定例

容器:FK-CTH-30-F-4S 台車:KMS-T-30

オプション:アースラグ

アースを取りたい場合には金具を取り付けいたします。金具の仕様や取り付け位置のご希望にあわせて設計・取り付けできます。


アースラグのページを見る

さまざまな装置で活躍する粉体回収ステンレス容器

ふるい機の回収容器
FK_04
サイクロンの捕集バケット
FK_02
集塵機の粉塵回収タンク
FK_05
スプレードライヤーの受け容器
FK_03

その他のラインナップを見る

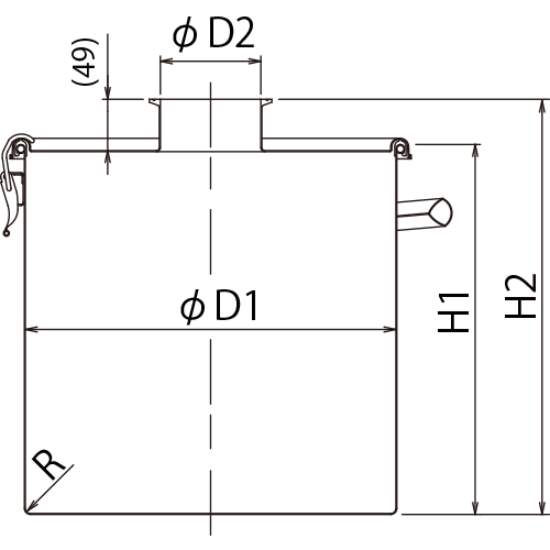
寸法参考図

サイズ表

型式 容量 重量 内径 内径 高さ 高さ へルール クリップ 納期 RoHS
L kg D1 D2 H1 H2 サイズ
FK-CTH-24-F-1.5S 10 2.2 240 35.7 240 284 1.5S 3 14
FK-CTH-24-F-2S 10 2.2 240 47.8 240 285 2S 3 14
FK-CTH-24-F-3S 10 2.3 240 72.3 240 285 3S 3 14
FK-CTH-24-F-4S 10 2.3 240 97.6 240 285 4S 3 14
FK-CTH-27-F-1.5S 15 2.8 270 35.7 270 313 1.5S 3 14
FK-CTH-27-F-2S 15 2.8 270 47.8 270 314 2S 3 14
FK-CTH-27-F-3S 15 2.9 270 72.3 270 314 3S 3 14
FK-CTH-27-F-4S 15 2.9 270 97.6 270 314 4S 3 14
FK-CTH-30-F-1.5S 20 3.3 300 35.7 300 343 1.5S 3 14
FK-CTH-30-F-2S 20 3.3 300 47.8 300 344 2S 3 14
FK-CTH-30-F-3S 20 3.4 300 72.3 300 344 3S 3 14
FK-CTH-30-F-4S 20 3.4 300 97.6 300 344 4S 3 14
FK-CTH-36-F-1.5S 36 5.3 360 35.7 360 403 1.5S 4 14
FK-CTH-36-F-2S 36 5.3 360 47.8 360 404 2S 4 14
FK-CTH-36-F-3S 36 5.4 360 72.3 360 404 3S 4 14
FK-CTH-36-F-4S 36 5.4 360 97.6 360 404 4S 4 14
FK-CTH-39-F-1.5S 45 6 387 35.7 390 435 1.5S 4 14
FK-CTH-39-F-2S 45 6 387 47.8 390 436 2S 4 14
FK-CTH-39-F-3S 45 6.1 387 72.3 390 436 3S 4 14
FK-CTH-39-F-4S 45 6.1 387 97.6 390 436 4S 4 14
ヘルールサイズや容器の高さを変えることはできますか?

変更可能です。ご希望の寸法をお教え下さい。

設備や機械に合わせた仕様で製作できますか?

製作可能です。ご希望の仕様をお聞かせください。

材質の変更はできますか?

SUS316Lで製作が可能です。

継手を支給して製作してもらうことはできるか?

実績はございますが、まずは詳細をお聞かせください。

接続用の部品も一緒に購入できますか?

お問い合わせください。

ユーザーレビュー

この商品に寄せられたカスタマーレビューはまだありません。