製品仕様
材質(キャップ部分)…SUS316L
材質(取っ手部分)…SUS304
●表面処理:内外面バフ研磨
L型取っ手付きのキャップヘルールです。
持ちやすい取っ手付きなので、取り外しの際に脱落しません。
○ガスケットやクランプバンドを使って接続する配管継手です。
○大きいサイズのキャップヘルールも片手で持つことができます。
○脱着の際に力を加えやすく、ヘルールと密着しても簡単に取り外しできます。
○側面・底面など、脱落しやすい部分への使用に最適です。
○キャップ内面を接地せず、安定して置くことができます。
○ヘルール式316L ストレートボトル【PSO】用のキャップとして使用できます。
「ヘルールってなに?」と思った方におすすめの技術コラム
技術コラム「工具不要で洗いやすい!容器や配管に欠かせないへルール継手」
様々な管継手の中でも、より衛生的な環境が求められる工程で使われる「ヘルール」について、用途や種類、関連製品をご紹介しています。
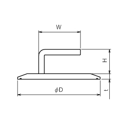
寸法参考図
サイズ表
| 型式 | ヘルール | 質量 | 外径 | 取っ手高さ | 取っ手長さ | 板厚 | 納期 |
|---|---|---|---|---|---|---|---|
| サイズ | kg | φD | H | W | t | 日 | |
| FCL-1S | 1S | 0.1 | 50.5 | 35 | 40 | 6.4 | 2~3 |
| FCL-2S | 2S | 0.2 | 64 | 35 | 40 | 6.4 | 2~3 |
| FCL-3S | 3S | 0.3 | 91 | 35 | 60 | 6.4 | 2~3 |
| FCL-4S | 4S | 0.6 | 119 | 35 | 60 | 7.9 | 2~3 |
- 取っ手の形状は変更できますか?
変更できます。T字型や逆U字型などの実績があります。まずはご要望をお聞かせください。お問い合わせはこちら
- 他のサイズの製作は可能ですか?
可能です。特注にて製作いたします。ご希望のサイズを明記の上お問い合わせください。

お客様の要望に合わせた装置の提案を致します
MONOVATEでは貯蔵容器の設計もご対応します!お客様の用途や業界のニーズに合わせて設計段階から緊密にコミュニケーションをとりながら、最適な形状や材質、機能を提案し実現します。当社の豊富な経験と実績を活かし、業務効率や製品の安全性を最優先に考慮した特注の貯蔵容器をお届けいたします。どんな要望もお気軽にご相談ください。
同カテゴリーのカスタマイズ製品事例
- 溶剤計量ステンレス容器(ヘルール式)【採用事例】省スペースのため細長い形状に

○化学業界採用事例
溶剤計量用のヘルール式小容量容器
- フッ素樹脂コーティング付ステンレス柄杓【採用事例】内容物の付着防止に

化粧品メーカー様納入
○内容物の付着防止の目的で、柄杓のカップ部分にフッ素樹脂コーティングを施工したオーダーメイド事例です。
・柄が容器に当たった際にコーティングが剥離しないよう、柄の部分にはコーティングをしていません。






