製品仕様
容器本体…SUS304
蓋【CF】…SUS304
取っ手・レバーバンド【LB】…SUS304
パッキン【PQL】…シリコンゴム(食品衛生法適合品)
●表面処理:内外面バフ研磨
●使用条件:大気圧(加減圧不可)
容量:10L、15L、20L、25L、35L
その他の容量も製作可能です。
※接続用のクランプバンドやガスケット等は別売りです。
※排出口のへルールサイズは変更可能です。(2S、3S、4S、他サイズ、他規格等)
※排出口はへルール以外に変更可能です。(ニップル、フランジ、パイプ等)
JAN: 4589691017376
○材料等の投入用容器として、大型容器や機器に取り付けて使用できます。
○ホッパーは45°の偏心になっているため、液や粉等の排出性に優れています。
○通常のホッパーに比べて周辺部品との干渉を調整できます。
○パッキンは食品衛生法適合品のシリコンゴム製です。
ホッパーの角度、排出口はカスタマイズできます

ホッパー角度の変更
内容物の性質やご希望に沿ったホッパー角度で製作できます。

排出口サイズの変更
設備や配管と同じヘルールサイズで製作できます。

排出口の継手形状の変更
接続先の配管や設備に合わせて、排出口の継手をヘルール以外へ変更できます。
お客様ご指定の継手での製作も承っております。
バルブもご用意できます
本製品はヘルール接続のバルブが取り付けできます。一緒にご購入いただくこともできますので、ご希望の方は気軽にお問い合わせください。
関連製品
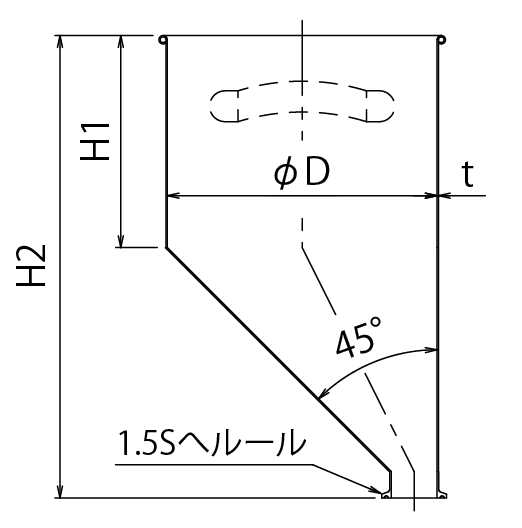
寸法参考図
サイズ表
| 型式 | 質量 | 容量 | 内径 | 高さ | 容器高 | ドレン | 板厚 | 納期 |
|---|---|---|---|---|---|---|---|---|
| kg | L | D | H1 | H2 | サイズ | t | 日 | |
| EHT-CTL-24 | 2.7 | 10 | 240 | 180 | 405 | 1.5S | 1.0 | 20 |
| EHT-CTL-27 | 3.4 | 15 | 270 | 210 | 465 | 1.5S | 1.0 | 20 |
| EHT-CTL-30 | 4.1 | 20 | 300 | 220 | 505 | 1.5S | 1.0 | 20 |
| EHT-CTL-33 | 4.7 | 25 | 330 | 215 | 530 | 1.5S | 1.0 | 20 |
| EHT-CTL-36 | 6.4 | 35 | 360 | 260 | 605 | 1.5S | 1.2 | 20 |
- 容器の材質は変更できますか?
変更できます。SUS316Lでの製作が可能です。
- 耐食性が必要なのですが…
材質変更、またはフッ素樹脂コーティングなど、内容物に合わせてご提案いたします。
- サイズ、容量は変更できますか?排出口も変更したいのですが。
変更可能です。お問い合わせフォームより、ご希望製品とご希望のカスタマイズ内容をご連絡ください。
- ノッカーの取り付けなど、ブリッジやラットホールの対策はできますか?
特注対応にて、内容物の性質に合わせて対策のご提案が可能です。詳しくはお問い合わせください。
- ホッパータンクとコニカルタンクの違いは?
ホッパーはロートやじょうごのような形状、コニカルは円錐形状を指すようですが明確な決まりはなく、弊社ではどちらもホッパーと呼んでいます。

お客様の要望に合わせた装置の提案を致します
MONOVATEでは貯蔵容器の設計もご対応します!お客様の用途や業界のニーズに合わせて設計段階から緊密にコミュニケーションをとりながら、最適な形状や材質、機能を提案し実現します。当社の豊富な経験と実績を活かし、業務効率や製品の安全性を最優先に考慮した特注の貯蔵容器をお届けいたします。どんな要望もお気軽にご相談ください。
同カテゴリーのカスタマイズ製品事例
- ホッパー型容器 アングル脚、内容器、割蓋付【採用事例】粉体投入時の異物混入を防ぐカスタマイズ

製剤機器メーカー様納入
〇粉体の投入に使われる、ホッパー型ステンレス容器のオーダーメイド事例です。
・粉体の入った袋を内容器の上に乗せたまま破り、中身を容器内に投入します。
- チョコレート湯せん・充填ホッパー【採用事例】溶かしたチョコレートを固めず投入

食品業界採用事例
チョコレート充填用のホッパーです。
湯せんが可能なジャケット付き仕様で、チョコレートをスムーズに充填できます。
ジャケットはノズル部分まであり、接続部分で冷えて固まってしまうのを防ぎます。









