製品仕様
容器・ジャケット・脚…SUS304
蓋…SUS304
キャスター…SUS+ウレタン車(内ストッパー付2個)
パッキン…シリコンゴム【PQA】(食品衛生法適合品)
ジャケット部ノズル…1Sへルール
●表面処理:内外面バフ研磨
●使用条件:大気圧(加減圧不可)
※撹拌機は別売りです。別途お打ち合わせにより、お見積りいたします。
JAN: 4582136046115
○撹拌機取付用(クランプ止め)に台座を付けました。
○蓋には、内容物の確認や投入用に割蓋が付いています。
○蓋を外せば簡単に攪拌機が取り外せます。
○撹拌機が容器に取り付けられる為、移動に便利です。
○保温、冷却用にジャケットを取り付けました。
○排出用に液溜りの少ないタンク底ダイヤフラムバルブを取付けました。
POINT:ジャケットタンクには、温調効率を向上させる断熱カバーの装着がおすすめです。
お椀形状の底

容器の底が丸くお椀のような形状(鏡板・鏡底)になっており、撹拌性・排出性に優れています。
タンク底バルブ

ヘルールに比べ排出性・撹拌性が向上!
【滞留無し】
タンクへはフランジで接続しているため、内容物の滞留がほとんどありません。
【効率の良い排出】
タンク内の内容物を最後まで効率よく取り出せます。
【撹拌効率】
デットスペースがないので、すみずみまで撹拌できます。

メンテナンス時におすすめのサポート製品
【JT/JTS】取付サポートジャッキ タンク底バルブをジャッキで持ち上げる(受け止める)ことで、一人で両手を使って着脱作業ができます。(特注対応)
タンク洗浄時などメンテナンスの際に活躍します。関連製品
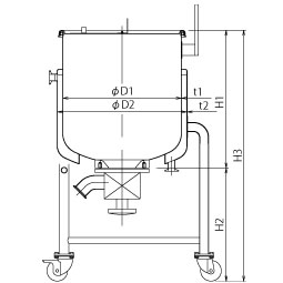
寸法参考図
サイズ表
| 型式 | 容量 | 質量 | 内径1 | 内径2 | 内高 | ドレン高 | 高さ | 板厚 | 板厚 | バルブ | 許容荷重 | 納期 | RoHS |
|---|---|---|---|---|---|---|---|---|---|---|---|---|---|
| L | ㎏ | D1 | D2 | H1 | H2 | H3 | t1 | t2 | サイズ | ㎏ | 日 | ||
| DTM-J-36 | 35 | 21 | 360 | 430 | 426 | 404 | 830 | 1.2 | 1.2 | 1S | 122 | 45 | ○ |
| DTM-J-39 | 45 | 23 | 387 | 430 | 467 | 403 | 870 | 1.2 | 1.2 | 1S | 122 | 45 | ○ |
| DTM-J-43 | 60 | 34 | 430 | 470 | 494 | 411 | 905 | 1.2 | 1.5 | 2S | 259 | 45 | ○ |
| DTM-J-47 | 80 | 41 | 470 | 565 | 546 | 409 | 955 | 1.5 | 1.5 | 2S | 390 | 45 | ○ |
| DTM-J-47H | 100 | 50 | 470 | 565 | 661 | 409 | 1070 | 1.5 | 1.5 | 2S | 390 | 45 | ○ |
| DTM-J-565 | 150 | 58 | 565 | 635 | 688 | 407 | 1095 | 1.5 | 1.5 | 2S | 490 | 50 | ○ |
| DTM-J-635 | 200 | 82 | 635 | 700 | 749 | 406 | 1155 | 1.5 | 2.0 | 2S | 816 | 50 | ○ |
- 容器の材質は変更できますか?
できます。SUS316L があります。
- 耐食性が必要なのですが…
フッ素樹脂コーティングなどの表面処理をご提案いたします。
- カタログにないサイズ、容量はできますか?
カスタマイズ可能です。近い容量の容器の高さを変えて製作いたします。詳細はお問い合わせください。
- ジャケット部に圧力をかけたいのですが。
本製品は圧力をかけることはできません。耐圧仕様で製作いたしますので、お問い合わせください。

お客様の要望に合わせた装置の提案を致します
MONOVATEでは貯蔵容器の設計もご対応します!お客様の用途や業界のニーズに合わせて設計段階から緊密にコミュニケーションをとりながら、最適な形状や材質、機能を提案し実現します。当社の豊富な経験と実績を活かし、業務効率や製品の安全性を最優先に考慮した特注の貯蔵容器をお届けいたします。どんな要望もお気軽にご相談ください。
同カテゴリーのカスタマイズ製品事例
- QRコード入りステンレスボトル【採用事例】データ管理用QRコードと識別番号をマーキング

- DTK-J-100 撹拌機・温調・架台・配管付【採用事例】食用油の一時受け容器 温度管理・残量確認機能付き

食品メーカー様 納入
○食用油の一時受け容器として使用される、ステンレス容器ポンプユニットのオーダーメイド事例です。
・400Lのステンレスジャケット容器に撹拌機、ポンプ、レベルセンサーが設置してあります。









