製品仕様
容器・脚・蓋…SUS304
バルブ
本体…接液部SUS316L/SCS16
Oリング…シリコンゴム(食品衛生法適合品)
ボールシート…PTFE
キャスター…SUS+ウレタン車(内ストッパー付2個)
パッキン…シリコンゴム【PQA】(食品衛生法適合品)
ジャケット部ノズル…1Sへルール
●表面処理:内外面バフ研磨
●使用条件:大気圧(加減圧不可)
※撹拌機は別売りです。別途お打ち合わせにより、お見積りいたします。
JAN: 4589691039743
○容器と撹拌機が一体になるので、簡単・安全に移動できます。
○容器は撹拌効率に優れた鏡板形状です。
○加熱・冷却(保温・保冷)用にジャケットを取り付けました。
○排出口には、「容器内のデッドスペースが少ない」「開閉操作が簡単」なタンク底ボールバルブを採用。
○内部確認や原料投入に便利な割蓋が付いています。
排出性・撹拌性の向上!撹拌・排出効率に優れたタンク底バルブ

タンク底バルブは排出口と容器のなだらかな接続部が特長です。
ヘルール接続に比べ細かいスキマができないため、撹拌時には隅々まで液流がいきわたり、効率の良い均一な撹拌を実現します。
関連製品
ジャケットタンクには、温調効率を向上させる断熱カバーの装着がおすすめです。
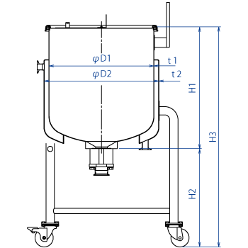
寸法参考図
サイズ表
| 型式 | 容量 | 重量 | 内径1 | 内径2 | 内高 | ドレン高 | 高さ | 板厚 | 板厚 | バルブ | 許容荷重 | 納期 |
|---|---|---|---|---|---|---|---|---|---|---|---|---|
| L | ㎏ | D1 | D2 | H1 | H2 | H3 | t1 | t2 | サイズ | ㎏ | 日 | |
| DTHB-J-36 | 35 | 22 | 360 | 430 | 426 | 404 | 830 | 1.2 | 1.2 | 1.5S | 122 | 45 |
| DTHB-J-39 | 45 | 22 | 387 | 430 | 467 | 403 | 870 | 1.2 | 1.2 | 1.5S | 122 | 45 |
| DTHB-J-43 | 60 | 30 | 430 | 470 | 501 | 404 | 905 | 1.2 | 1.5 | 2S | 259 | 45 |
| DTHB-J-47 | 80 | 40 | 470 | 565 | 552 | 403 | 955 | 1.5 | 1.5 | 2S | 390 | 45 |
| DTHB-J-47H | 100 | 44 | 470 | 565 | 667 | 403 | 1070 | 1.5 | 1.5 | 2S | 390 | 45 |
| DTHB-J-565 | 150 | 55 | 565 | 635 | 692 | 403 | 1095 | 1.5 | 1.5 | 2S | 490 | 50 |
| DTHB-J-635 | 200 | 68 | 635 | 700 | 753 | 402 | 1155 | 1.5 | 2.0 | 2S | 816 | 50 |
- 容器の材質や表面処理はは変更できますか?
可能です。SUS316Lへの材質変更や、PFAコーティング・電解研磨といった表面処理の施工が可能です。
- カタログにないサイズ、容量はできますか?
可能です。近い容量の容器の高さを変えて製作いたします。
- ジャケット部に圧力をかけたいのですが。(蒸気の使用等)
本製品は圧力をかけることはできません。耐圧仕様の容器をご検討ください。
- チラー等の循環装置は付属しますか?
本製品には付属しません。まとめてご注文いただくことはできますので、お問い合わせください。
- 自動弁での製作は可能ですか?
可能です。詳しくはお問い合わせください。

お客様の要望に合わせた装置の提案を致します
MONOVATEでは貯蔵容器の設計もご対応します!お客様の用途や業界のニーズに合わせて設計段階から緊密にコミュニケーションをとりながら、最適な形状や材質、機能を提案し実現します。当社の豊富な経験と実績を活かし、業務効率や製品の安全性を最優先に考慮した特注の貯蔵容器をお届けいたします。どんな要望もお気軽にご相談ください。
同カテゴリーのカスタマイズ製品事例
- 200L 液調製タンク【採用事例】錠剤表面のコーティング剤を

製薬メーカー様納入
○錠剤等の表面をコートするコーティング剤を作るために使用される、ステンレス容器のオーダーメイド事例です。
・容器にコーティングの原料と純水を投入し、エアーモーター撹拌機(攪拌機/かくはん機)にて撹拌します。
- リフターで昇降できる架台分離式ジャケットタンク【採用事例】薬品を保温・溶解

化学業界採用事例
保温・撹拌・昇降できるステンレスタンクのオーダーメイド事例です。
新製品の製造に向けて、薬品の溶解や撹拌の用途で使用します。








