保温・保冷効果を高め火傷や結露の対策ができる、断熱槽付きのジャケット容器
内槽は撹拌・排出に優れたお椀形状
○ジャケット部の外側にグラスウールを閉じ込めた断熱槽を設け、保温・保冷効果を高めています。
○通常のジャケット容器に比べて放熱が少なく、周辺温度の変化を抑制し、火傷や結露の対策にもなります。
○ジャケット部(外槽)に水を流し、内容物を保温・冷却できます。
○ジャケット部のみ、圧力(0~0.18MPa/サイズにより異なる)がかかる際も使用できます。
○内槽は、液体の攪拌や排出に適した鏡板形状です。
○容器下部の排出口の下には、受け(小分け)用の別容器を置くことができます。
○【DT-ST-TJJ-L】はかぶせ蓋タイプ、【DT-CTL-TJJ-L】はレバーバンドで密閉できるタイプです。
○受注生産品ですので、内容物や用途に合わせてオーダーメイドできます。
断熱槽付きジャケット容器のメリット

断熱槽のないジャケット容器に比べて
・内容液の保温や保冷の効率がアップする。
・周辺温度の影響を受けにくくなる。また周辺温度への影響を抑えることができる。
・加温時:容器の表面を触れることによる火傷などの事故の対策になる。
・冷却時:容器の表面にできる結露を抑えることができる。
鏡板型容器とは?

容器の底が丸くお椀のような形状(鏡板・鏡底)になっているステンレス容器のことを鏡板型容器といいます。
丸みのある底形状は、平底に比べて撹拌性や排出性に優れており、材料の一時貯蔵や撹拌混合などの工程に適しています。
その他の鏡板型容器のラインナップはこちら
排出口(ドレン)はカスタマイズできます

継手の種類やサイズは変更できます
内容物や配管に合わせて、排出口の「種類」や「サイズ」を変更できます。
お客様ご指定の継手での製作も可能です。
バルブの取り付けも承ります
蓋もカスタマイズできます
容器本体だけでなく、蓋もオーダーメイドで製作することができます。ご希望の仕様をお知らせください。



キャッチクリップ式も製作できます

型式【DT-CTH-TJJ-L】
※仕様上、ジャケットの高さが低くなります。
関連製品
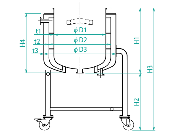
寸法参考図
サイズ表
| 型式 | 容量 | 重量 | 内径 | 内径 | 内径 | 高さ | 高さ | 高さ | 板厚 | 板厚 | 板厚 | ドレン | 許容荷重 | 納期 |
|---|---|---|---|---|---|---|---|---|---|---|---|---|---|---|
| L | kg | D1 | D2 | D3 | H1 | H3 | H4 | t1 | t2 | t3 | サイズ | kg | 日 | |
| DT-ST-TJJ-L-30 | 20 | 26 | 300 | 360 | 430 | 405 | 805 | 367 | 1.5 | 1.2 | 1.2 | 1.5S | 122 | 35 |
| DT-ST-TJJ-L-33 | 25 | 28 | 330 | 387 | 470 | 415 | 815 | 376 | 1.5 | 1.2 | 1.5 | 1.5S | 259 | 35 |
| DT-ST-TJJ-L-36 | 35 | 33 | 360 | 430 | 500 | 455 | 855 | 414 | 1.5 | 1.2 | 2.0 | 1.5S | 259 | 35 |
| DT-ST-TJJ-L-39 | 45 | 34 | 387 | 430 | 500 | 495 | 895 | 445 | 1.5 | 1.2 | 2.0 | 1.5S | 259 | 35 |
| DT-ST-TJJ-L-43 | 60 | 46 | 430 | 470 | 565 | 531 | 930 | 477 | 2.0 | 1.5 | 1.5 | 2S | 390 | 35 |
| DT-ST-TJJ-L-47 | 80 | 58 | 470 | 565 | 635 | 586 | 985 | 541 | 2.0 | 1.5 | 1.5 | 2S | 490 | 35 |
| DT-ST-TJJ-L-47H | 100 | 66 | 470 | 565 | 635 | 701 | 1100 | 656 | 2.0 | 1.5 | 1.5 | 2S | 490 | 35 |

お客様の要望に合わせた装置の提案を致します
MONOVATEでは貯蔵容器の設計もご対応します!お客様の用途や業界のニーズに合わせて設計段階から緊密にコミュニケーションをとりながら、最適な形状や材質、機能を提案し実現します。当社の豊富な経験と実績を活かし、業務効率や製品の安全性を最優先に考慮した特注の貯蔵容器をお届けいたします。どんな要望もお気軽にご相談ください。
同カテゴリーのカスタマイズ製品事例
- DTK-J-100 撹拌機・温調・架台・配管付【採用事例】食用油の一時受け容器 温度管理・残量確認機能付き

食品メーカー様 納入
○食用油の一時受け容器として使用される、ステンレス容器ポンプユニットのオーダーメイド事例です。
・400Lのステンレスジャケット容器に撹拌機、ポンプ、レベルセンサーが設置してあります。
- リフターで昇降できる架台分離式ジャケットタンク【採用事例】薬品を保温・溶解

化学業界採用事例
保温・撹拌・昇降できるステンレスタンクのオーダーメイド事例です。
新製品の製造に向けて、薬品の溶解や撹拌の用途で使用します。










