製品仕様
画像は代表画像です。サイズにより仕様が異なります。詳細は図面をご覧ください。
容器本体・蓋・取っ手…SUS304
架台…SUS304
キャスター材質…SUS+ウレタン車 (内ストッパー付2個)
吊りラグ(635、77、100、100Hサイズのみ)…SUS304
※100、100Hサイズの蓋には取っ手が2個付いています。●表面処理:内外面バフ研磨
●使用条件:大気圧(加減圧不可)容量:35L、45L、60L、80L、100L、150L、200L、300L、400L、500L
※その他の容量も製作できます。JAN: 4589691021113
○作業に合わせて容器と架台の分離・固定ができます。
○容器と架台は蝶ねじで取り付けでき、工具不要です。
○容器を架台から外して洗浄できるので、洗浄時間の短縮になります。
○容器と架台は丈夫でサビに強いSUS304製です。
○200L以上の容器は吊り上げ用に金具(穴)を取り付けています。
○容器のみの製品、作業台・取っ手・蓋置付きの製品もあります。
鏡板型容器とは?
鏡板型容器とは、容器の底が丸くお椀のような形状(鏡板・鏡底)になっているステンレスタンクのことです。
平底の容器と比べて液体の排出性や撹拌性に優れているため、貯蔵用タンクや撹拌用タンクとして採用されることが多いです。
カスタマイズできます!
排出口のカスタマイズ
内容物や配管に合わせて、排出口(ドレン)の「種類」や「サイズ」を変更できます。
お客様ご指定の継手での製作も可能です。
その他、蓋や架台、容器の高さなどのカスタマイズも可能です。
お気軽にご相談ください。
各種バルブを取り付けできます
選定やセットでの購入も承っております。お気軽にご相談ください。
関連製品
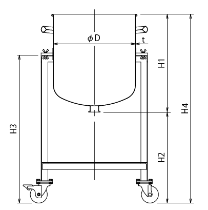
寸法参考図
サイズ表
| 型式 | 容量 | 容器重 | 架台重 | 内径 | 容器高 | ドレン高 | 架台高 | 全高 | 架台幅 | ドレン | 板厚 | 耐荷重 | 納期 |
|---|---|---|---|---|---|---|---|---|---|---|---|---|---|
| L | kg | kg | D | H1 | H2 | H3 | H4 | W | サイズ | t | kg | 日 | |
| DT-ST-ASC-36 | 35 | 7 | 10 | 360 | 430 | 400 | 650 | 830 | 510 | 1.5S | 1.2 | 259 | 30 |
| DT-ST-ASC-39 | 45 | 8 | 10 | 387 | 470 | 400 | 650 | 870 | 540 | 1.5S | 1.2 | 259 | 30 |
| DT-ST-ASC-43 | 60 | 9 | 11 | 430 | 505 | 400 | 700 | 905 | 590 | 2S | 1.2 | 259 | 30 |
| DT-ST-ASC-47 | 80 | 14 | 24 | 470 | 555 | 400 | 700 | 955 | 650 | 2S | 1.5 | 390 | 30 |
| DT-ST-ASC-47H | 100 | 16 | 24 | 470 | 670 | 400 | 700 | 1070 | 650 | 2S | 1.5 | 390 | 30 |
| DT-ST-ASC-565 | 150 | 21 | 27 | 565 | 695 | 400 | 750 | 1095 | 750 | 2S | 1.5 | 390 | 30 |
| DT-ST-ASC-635 | 200 | 28 | 32 | 635 | 755 | 500 | 800 | 1255 | 860 | 2S | 1.5 | 489 | 30 |
| DT-ST-ASC-77 | 300 | 47 | 62 | 770 | 780 | 500 | 850 | 1280 | 1080 | 2S | 2.0 | 816 | 35 |
| DT-ST-ASC-100 | 400 | 58 | 77 | 1000 | 670 | 600 | 1000 | 1270 | 1280 | 2S | 2.0 | 1142 | 35 |
| DT-ST-ASC-100H | 500 | 64 | 77 | 1000 | 800 | 600 | 1000 | 1400 | 1280 | 2S | 2.0 | 1142 | 35 |
- アングルではなくパイプの架台は作れますか?
製作可能です。
- 容量や大きさの変更はできますか?
変更可能です。詳細をお知らせください。
- 容器をフォークリフトで持ち上げたいのだが…
フォークリフト用の金具を取り付けいたします。
- 排出口の種類やサイズ、位置を変えたい。
変更可能です。ご希望をお聞かせください。
- 容器と架台が一体になっているものはありますか?
キャスター脚付の容器がございます(DT-L)。

お客様の要望に合わせた装置の提案を致します
MONOVATEでは貯蔵容器の設計もご対応します!お客様の用途や業界のニーズに合わせて設計段階から緊密にコミュニケーションをとりながら、最適な形状や材質、機能を提案し実現します。当社の豊富な経験と実績を活かし、業務効率や製品の安全性を最優先に考慮した特注の貯蔵容器をお届けいたします。どんな要望もお気軽にご相談ください。
同カテゴリーのカスタマイズ製品事例
- 鏡板型ジャケット容器 撹拌機リフター、タンク底バルブ付き【採用事例】固形材料を溶解後、粉末材料と混合するステンレス容器

食品メーカー様納入
〇固形材料を溶解させ、粉末材料と混ぜ合わせる工程で使用する、ステンレスジャケット容器のオーダーメイド事例です。
・固形物を投入しジャケットの温熱にて溶解後、粉末材料を投入し撹拌します。
- キャッチクリップ式密閉容器(底鏡板タイプ)【採用事例】液体と粉体の混合生成に使用するステンレス容器

医薬用原薬メーカー様納入
〇液体と粉体の混合生成に使用する、ステンレス容器のオーダーメイド事例です。










