品番:DT-CTL-TJ-L

鏡板型耐圧ジャケット密閉容器 クリップ式 脚付【DT-CTL-TJ-L】

ジャケット部分が耐圧仕様のステンレス容器内槽は撹拌・排出に優れたお椀形状
¥691,834 (税込)

バリエーション選択

バリエーションを選択してください

カスタム加工選択

もっと見る 閉じる

各種ダウンロード

  • 図面ダウンロード(会員)

図面ダウンロード

会員登録すると、以下のデータを無料でダウンロードできます


製品CAD図面:PDF・DXF・DWG / 証明書:材料証明書・RoHS2指令適合証明書


※製品により、CADデータや証明書を公開していないものがございます。
※「アクセサリー」「オプション加工」「撹拌機」、その他一部の図面は公開しておりません。ご了承ください。

特長
サイズ表
Q&A
カスタマイズ事例

○ジャケット部(外槽)に水を流し、内容物を保温・冷却できます。

○ジャケット部のみ、圧力(0~0.18MPa/サイズにより異なる)がかかる際も使用できます。

○内槽は鏡板形状になっている為、液体の攪拌や排出に適しています。

○容器下部の排出口の下には、受け(小分け)用の別容器を置くことができます。

○受注生産品ですので、「寸法」「材質」の変更や用途に合わせて特注加工ができます。

DT-ST_p_01

容器の底が丸くお椀のような形状(鏡板・鏡底)になっており、撹拌性や排出性に優れています。

 

その他の鏡板型容器のラインナップはこちら

断熱カバーで温調効率UP!

断熱カバー

断熱カバーの詳細を見る

内槽がホッパーのタイプもあります


この製品の詳細を見る

ヘルール接続のバルブを取り付けできます

容器とバルブをセットでご用意することも可能です。詳しくはお問い合わせください。

排出口のカスタマイズができます

標準ではヘルール接続となっていますが、使用環境・内容物・接続先などに合わせて、排出口の「種類」や「サイズ」を変更できます。ニップル・ソケット・フランジの他、お客様ご指定の継手や規格での製作も承っています。また、タンク底バルブを取り付けることもできます。

キャッチクリップ式も製作できます

型式【DT-CTH-TJ-L】※仕様上、ジャケットの高さが低くなります。

MF_04

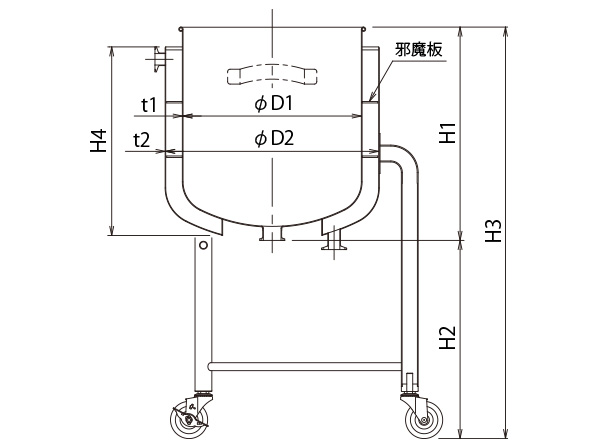
寸法参考図

サイズ表

型式 容量 重さ 内径 内径 高さ 全高 ジャケット高 板厚 板厚 ドレン 脚本数 耐荷重 納期
L kg D1 D2 H1 H3 H4 t1 t2 サイズ kg
DT-CTL-TJ-L-30 20 17 300 360 380 780 327 1.5 1.2 1.5S 3 122 35
DT-CTL-TJ-L-33 25 18 330 387 390 790 337 1.5 1.2 1.5S 3 122 35
DT-CTL-TJ-L-36 35 21 360 430 430 830 380 1.5 1.2 1.5S 3 122 35
DT-CTL-TJ-L-39 45 21 387 430 470 870 410 1.5 1.2 1.5S 3 122 35
DT-CTL-TJ-L-43 60 30 430 470 505 905 440 2.0 1.5 2S 4 259 35
DT-CTL-TJ-L-47 80 42 470 565.7 556 955 495 2.0 1.5 2S 4 390 35
DT-CTL-TJ-L-47H 100 49 470 565.7 670 1070 610 2.0 1.5 2S 4 390 35

内槽も加圧したいのですが・・・。

内槽は加減圧不可となっています。加圧容器【PCN】シリーズをご使用ください。

耐食性が必要なのですが…

フッ素樹脂コーティングの表面処理ができます。

ドレンの種類やサイズは変更できますか?

変更可能です。ご希望の継手やサイズをお知らせください。

内槽が鏡板底以外でも製作できますか?

ホッパータイプを製作致しております(HT-TJ-L)。

バルブや温度計など周辺部品も一緒に選定していただけますか?

ご要望に応じて選定致します。

お客様の要望に合わせた装置の提案を致します

MONOVATEでは貯蔵容器の設計もご対応します!お客様の用途や業界のニーズに合わせて設計段階から緊密にコミュニケーションをとりながら、最適な形状や材質、機能を提案し実現します。当社の豊富な経験と実績を活かし、業務効率や製品の安全性を最優先に考慮した特注の貯蔵容器をお届けいたします。どんな要望もお気軽にご相談ください。

同カテゴリーのカスタマイズ製品事例

  • キャッチクリップ式密閉容器(底鏡板タイプ)【採用事例】
    液体と粉体の混合生成に使用するステンレス容器

    医薬用原薬メーカー様納入

    〇液体と粉体の混合生成に使用する、ステンレス容器のオーダーメイド事例です。

  • 鏡板型容器 脚付き タンク底ボールバルブ、スライド式開閉蓋【採用事例】
    薬剤撹拌用ステンレス容器

    化学薬品メーカー様納入

    〇薬剤の撹拌に使用する、ステンレス容器のオーダーメイド事例です。

    ・薬剤を投入後、撹拌機(攪拌機/かくはん機)を上部スライド式開閉蓋より挿入します。

ユーザーレビュー

この商品に寄せられたレビューはまだありません。