製品仕様
容器本体・ジャケット…SUS304
蓋・脚・取っ手…SUS304
クリップ・バンド…SUS304
パッキン… シリコンゴム(食品衛生法適合品)
キャスター… SUS +ウレタン車(内ストッパー付2 個)
ジャケット部ノズル…1S ヘルール
●表面処理:内外面バフ研磨
●使用条件(内槽・ジャケット):大気圧(加減圧不可)
JAN: 4582136045958
特長
サイズ表
Q&A
カスタマイズ事例
○脚付の鏡板型容器DT-CTL-Lにジャケットを付けました。
○保温、冷却用として使用されます。
○底板が鏡板形状の為、液体の排出性に優れています。
○底板が鏡板形状の為、攪拌機にて攪拌しやすくなっています。
○受注生産品ですので、「寸法」「材質」の変更や用途に合わせて特注加工が出来ます。
○二重ジャケットタイプもあります。
蓋は用途に合わせて「ST」「CTL」から選択できます断熱カバーで温調効率UP!

断熱カバーの詳細を見る
非密閉タイプもあります

この製品の詳細を見る
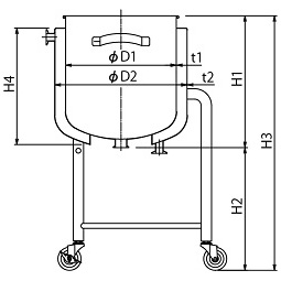
寸法参考図
サイズ表
| 型式 | 容量 | 重量 | 内径 | 内径 | 容器高 | ドレン高 | 全高 | ジャケット高 | 板厚 | 板厚 | ドレン | 脚本数 | 耐荷重 | 納期 | RoHS |
|---|---|---|---|---|---|---|---|---|---|---|---|---|---|---|---|
| L | kg | D1 | D2 | H1 | H2 | H3 | H4 | t1 | t2 | サイズ | 本 | kg | 日 | ||
| DT-CTL-J-L-36 | 35 | 16 | 360 | 430 | 430 | 400 | 830 | 380 | 1.2 | 1.2 | 1.5S | 3 | 122 | 35 | ○ |
| DT-CTL-J-L-43 | 60 | 24 | 430 | 470 | 505 | 400 | 905 | 440 | 1.2 | 1.5 | 2S | 4 | 259 | 35 | ○ |
| DT-CTL-J-L-47H | 100 | 40 | 470 | 565 | 670 | 400 | 1070 | 610 | 1.5 | 1.2 | 2S | 4 | 390 | 35 | ○ |
| DT-CTL-J-L-565 | 150 | 48 | 565 | 635 | 695 | 400 | 1095 | 625 | 1.5 | 1.5 | 2S | 4 | 490 | 40 | ○ |
| DT-CTL-J-L-635 | 200 | 73 | 635 | 700 | 755 | 400 | 1155 | 695 | 1.5 | 2 | 2S | 4 | 816 | 40 | ○ |
| DT-CTL-J-L-635H | 250 | 83 | 635 | 700 | 915 | 400 | 1315 | 855 | 1.5 | 2 | 2S | 4 | 816 | 40 | ○ |
- 容器の材質は変更出来ますか?
出来ます。SUS316L があります。
- カタログにないサイズ、容量はできますか?
近い容量の容器の高さを変えて製作いたします。
- 圧力をかけられますか?
加圧は出来ません。加圧容器をご使用ください。
- パッキンはシリコン以外の材質がありますか?
フッ素ゴムなどの材質があります。
- ドレンノズルは変更出来ますか?
サイズ違いやニップル、ソケット等に変更出来ます。

お客様の要望に合わせた装置の提案を致します
MONOVATEでは貯蔵容器の設計もご対応します!お客様の用途や業界のニーズに合わせて設計段階から緊密にコミュニケーションをとりながら、最適な形状や材質、機能を提案し実現します。当社の豊富な経験と実績を活かし、業務効率や製品の安全性を最優先に考慮した特注の貯蔵容器をお届けいたします。どんな要望もお気軽にご相談ください。
同カテゴリーのカスタマイズ製品事例
- リフターで昇降できる架台分離式ジャケットタンク【採用事例】薬品を保温・溶解

化学業界採用事例
保温・撹拌・昇降できるステンレスタンクのオーダーメイド事例です。
新製品の製造に向けて、薬品の溶解や撹拌の用途で使用します。
- QRコード入りステンレスボトル【採用事例】データ管理用QRコードと識別番号をマーキング






