製品仕様
容器本体・ジャケット…SUS304
蓋・取っ手…SUS304
クリップ・バンド…SUS304
パッキン… シリコンゴム
(食品衛生法適合品)
ジャケット部ノズル…1S ヘルール
●表面処理:内外面バフ研磨
●使用条件(内槽・ジャケット)
:大気圧(加減圧不可)
容量:10L、20L、35L、45L、65L
※その他のサイズも製作できます。
JAN: 4582136044753
○ジャケット部(外槽)に水を流し、内容物を保温・冷却できます。
○ワンタッチ式レバーバンドで簡単に蓋の着脱ができ、洗浄も容易です。
○パッキンは食品衛生法適合品のシリコンゴムが標準です。
○移動には専用の運搬用台車があります。
○底の角は、汚れが溜まりにくいR構造です。
○受注生産品ですので、「寸法」「材質」の変更や用途に合わせてオーダーメイドできます。
蓋は用途に合わせて「ST」「CTL」から選択できます断熱カバーで温調効率UP!
断熱カバーの詳細を見る
非密閉タイプもあります
この製品の詳細を見る
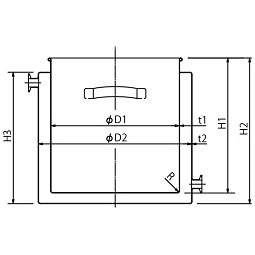
寸法参考図
サイズ表
| 型式 | 容量 | 質量 | 内径 | 内径 | 内高 | 全高 | ジャケット高 | 板厚 | 板厚 | 納期 | RoHS |
|---|---|---|---|---|---|---|---|---|---|---|---|
| L | kg | D1 | D2 | H1 | H2 | H3 | t1 | t 2 | 日 | ||
| CTL-J-24 | 10 | 7 | 240 | 300 | 260 | 290 | 250 | 1.2 | 1.2 | 30 | ○ |
| CTL-J-30 | 20 | 10 | 300 | 360 | 320 | 350 | 310 | 1.2 | 1.2 | 30 | ○ |
| CTL-J-33 | 25 | 11 | 330 | 387 | 350 | 380 | 340 | 1.2 | 1.2 | 30 | ○ |
| CTL-J-36 | 35 | 14 | 360 | 430 | 380 | 410 | 370 | 1.2 | 1.2 | 30 | ○ |
| CTL-J-39 | 45 | 15 | 387 | 430 | 410 | 440 | 390 | 1.2 | 1.2 | 30 | ○ |
| CTL-J-43 | 65 | 20 | 430 | 470 | 480 | 510 | 460 | 1.2 | 1.5 | 30 | ○ |
- 容器の材質は変更できますか?
できます。SUS316Lがあります。
- 圧力をかけられますか?
加圧は出来ません。加圧容器をご使用ください。
- パッキンはシリコン以外の材質がありますか?
フッ素ゴムなどの材質があります。
- カタログにないサイズ、容量はできますか?
近い容量の容器の高さを変えて製作いたします。

お客様の要望に合わせた装置の提案を致します
MONOVATEでは貯蔵容器の設計もご対応します!お客様の用途や業界のニーズに合わせて設計段階から緊密にコミュニケーションをとりながら、最適な形状や材質、機能を提案し実現します。当社の豊富な経験と実績を活かし、業務効率や製品の安全性を最優先に考慮した特注の貯蔵容器をお届けいたします。どんな要望もお気軽にご相談ください。
同カテゴリーのカスタマイズ製品事例
- 加温ジャケット付傾斜底容器【採用事例】液体の加温・撹拌ができるステンレス容器

化学薬品メーカー様納入
〇液体を加温しながら撹拌するステンレス容器のオーダーメイド事例です。
・ジャケット部に挿し込んだヒーターで加温しながら、上部攪拌機にて混合します。
- 温調ユニットセパレート型ジャケット付撹拌容器【採用事例】温水用タンクを分けた「セパレート型」で長期的なコスト削減

製薬メーカー様納入
○不溶性粉末が入った100Lの液体を撹拌できる容器のオーダーメイド事例です。
・この製品はジャケット付撹拌容器と温調ユニット(温水循環装置)の二つからなる製品です。




