製品仕様
容器本体…SUS316L
取っ手…SUS304
蓋…SUS316L
レバーバンド【LB】…SUS304
パッキン【PQL】…シリコンゴム(食品衛生法適合品)
●表面処理: 内外面バフ研磨
●使用条件: 大気圧(加減圧不可)
容量:10L、20L、36L、65L ※この他の容量も製作可能です。
JAN: 4560132183904
特長
サイズ表
Q&A
カスタマイズ事例
○SUS304 やSUS316 に比べ耐食、耐孔食、耐粒界腐食性に優れています。
○主に製薬・化粧品メーカー様などで使用されています。
○パッキンは食品衛生法適合品のシリコンゴムが標準です。
○底の角は、汚れが溜まりにくいR 構造です。
SUS316Lの耐食性(SUS304・SUS316に比べて)SUS316Lの耐食性(SUS304、SUS316に比べて)
・耐食性に優れている・・・塩酸、強酸、強アルカリに対して
・耐孔食性に優れている・・・海水などに対して
・耐粒界腐食性に優れている・・・溶接部付近の腐食に対して
SUS304製のレバーバンド式密閉容器【CTL】はこちら
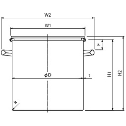
寸法参考図
サイズ表
| 型式 | 容量 | 質量 | 内径 | 内高 | 最大幅 | 板厚 | 取っ手高 | 底 | パッキン | 納期 | RoHS |
|---|---|---|---|---|---|---|---|---|---|---|---|
| L | kg | D | H1 | W | t | F | R | 日 | |||
| CTL-24-316L | 10 | 2.4 | 240 | 240 | 315 | 0.8 | 41 | 5 | L型 | 2~3 | ○ |
| CTL-30-316L | 20 | 3.6 | 300 | 300 | 380 | 0.8 | 56 | 5 | L型 | 2~3 | ○ |
| CTL-36-316L | 36 | 5.9 | 360 | 360 | 469 | 1.0 | 52 | 5 | L型 | 2~3 | ○ |
| CTL-43-316L | 65 | 8.7 | 430 | 450 | 548 | 1.0 | 82 | 5 | L型 | 2~3 | ○ |
- パッキンはシリコン以外の材質がありますか?
フッ素ゴムなどの材質があります。
- 圧力をかけられますか?
加圧は出来ません。加圧容器をご使用ください。
- SUS316 とどちらが耐食性に優れているのですか?
SUS316L です。
- どの業界で多く使われてますか?
医薬、化粧品メーカー様にて使用されています。

お客様の要望に合わせた装置の提案を致します
MONOVATEでは貯蔵容器の設計もご対応します!お客様の用途や業界のニーズに合わせて設計段階から緊密にコミュニケーションをとりながら、最適な形状や材質、機能を提案し実現します。当社の豊富な経験と実績を活かし、業務効率や製品の安全性を最優先に考慮した特注の貯蔵容器をお届けいたします。どんな要望もお気軽にご相談ください。
同カテゴリーのカスタマイズ製品事例
- シール貼り付け座板付容器【採用事例】工程や内容物のシール表示ができるステンレス容器

食品製造メーカー様納入
○食品製造用の液体が入った袋の運搬・保管用に使われる、テーパー型密閉容器のオーダーメイド事例です。
- 積み重ね式密閉容器【採用事例】段積みできる容器で省スペースに

粉体メーカー様納入
〇スタッキング(積み重ね/段積み)できるようにカスタマイズした、ステンレス容器のオーダーメイド事例です。









