製品仕様
容器【CTH】…SUS304
パッキン【PQA】…シリコンゴム(食品衛生法適合品)
ノズル…共通テーパー摺合せ(Ts29/42)3個
●表面処理: 内外面バフ研磨
●使用条件: 大気圧
容量:7L、10L、15L、20L、25L、36L
その他の容量はお問い合わせください。
JAN: 4589691010889
○共通テーパー摺り合わせ(Ts29/42)用のテーパー管ノズルを3個取り付けました。
○常圧用の反応容器としてお使いいただけるステンレスタンクです。
○クリップで簡単に蓋を固定できます。
○パッキンは食品衛生法適合のシリコンゴム製が付属します。
○材質・容量・ノズルサイズのオーダーも可能です。
テーパー管とは?

内部が先細りになっているパイプやノズルのことです。
この製品はガラス製器具の開口部等にも使われている
「共通テーパー摺り合わせ」規格のTs29/42サイズを採用しています。
ゴム栓や撹拌シール、温度計、撹拌機などの取り付けができます。
関連製品
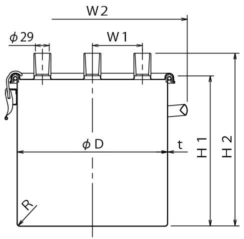
寸法参考図
サイズ表
| 型式 | 容量 | 重量 | 内径 | 内高 | 全高 | 間隔 | 最大幅 | 板厚 | 底 | 納期 |
|---|---|---|---|---|---|---|---|---|---|---|
| L | kg | D | H1 | H2 | W1 | W2 | t | R | 日 | |
| CTH-TSN-21 | 7 | 1.9 | 210 | 210 | 256 | 70 | 282 | 0.7 | 5 | 14 |
| CTH-TSN-24 | 10 | 2.4 | 240 | 240 | 287 | 80 | 315 | 0.7 | 5 | 14 |
| CTH-TSN-27 | 15 | 3 | 270 | 270 | 316 | 90 | 350 | 0.8 | 5 | 14 |
| CTH-TSN-30 | 20 | 3.5 | 300 | 300 | 346 | 100 | 380 | 0.8 | 5 | 14 |
| CTH-TSN-33 | 25 | 4.3 | 330 | 330 | 376 | 110 | 463 | 0.8 | 5 | 14 |
| CTH-TSN-36 | 36 | 5.5 | 360 | 360 | 406 | 120 | 469 | 0.9 | 5 | 14 |
- ノズルにはどんな部品が取り付けできますか?
ゴム栓や撹拌機、温度計ホルダー、PTFE撹拌シールなど、用途に応じて様々です。
- パッキンの材質は変更できますか?
FKM(フッ素ゴム) ・EPDM(エチレンプロピレンゴム) ・NBR(ニトリルゴム) ・CR(クロロプレンゴム)があります。ゴム以外ではPTFEパッキン【PPA】がございます。
- 圧力をかけられますか?
加圧は出来ません。加圧容器をご使用ください。
- クリップの個数は変えられますか?クリップのみの販売はしていますか?
クリップの個数は変えられます(特注対応)。クリップのみの販売はしておりません。
- 耐食性が必要なのですが…
電解研磨などの表面処理加工を致します。詳細はお問い合わせください。

お客様の要望に合わせた装置の提案を致します
MONOVATEでは貯蔵容器の設計もご対応します!お客様の用途や業界のニーズに合わせて設計段階から緊密にコミュニケーションをとりながら、最適な形状や材質、機能を提案し実現します。当社の豊富な経験と実績を活かし、業務効率や製品の安全性を最優先に考慮した特注の貯蔵容器をお届けいたします。どんな要望もお気軽にご相談ください。
同カテゴリーのカスタマイズ製品事例
- STB ツル2ヶ/取っ手4ヶ/蓋無【採用事例】原料投入用のステンレス容器

粉体機器メーカー様納入
○原料を別容器へ投入するために使用する、吊り下げ式ステンレス容器のオーダーメイド事例です。
・粉末原料と水を混ぜたものを、この容器から別容器へ投入します。
- 化粧品原料ろ過容器【採用事例】化粧品原料のろ過工程でご採用いただいたカスタマイズ事例

○化粧品業界採用事例
化粧品原料のろ過工程でご採用いただいた製品です。
当社ラインナップの【QR-100M】吸引ろ過容器をベースに、ろ過にかかる時間を短縮できる仕様にカスタマイズしました。






