製品仕様
容器本体・蓋・カードホルダー部…SUS304
※クリアケースは付属します。
○ホルダーサイズ
容量~15L…A8サイズ
容量20L~…A6サイズ
JAN: 4589691034441
○ホルダーの上部からカードケースを抜き差しできます。
○内容物の識別、工程管理、製造指図書などの書類管理に最適です。
○ホルダーの下部には水抜き用の隙間があります。洗浄液などが溜まりにくい構造です。
○ホルダーの位置や仕様の変更、オーダーメイドの容器への取り付けも可能です。
○両手でしっかり持つことができる両取っ手タイプです。
○内容物の飛散防止やホコリ等の混入を防ぐ簡易密閉構造です。
片手で手軽に持ち運べる吊り下げ取っ手タイプもあります。
カードホルダー付ステンレス容器【CZシリーズ】製品一覧はこちら
カードホルダー付きのステンレス容器は、このようなときにおすすめです
- ・容器に何が入っているのかわかるようにしたい
- ・容器の使用工程を管理したい
- ・書類で容器を管理したい
- ・識別ラベルを手軽に付けたい
カードホルダー付ステンレス容器の特長
容器に書類をセットできる

容器にオールステンレス製のカードホルダーを取り付けています。
容量10L・15Lの容器はA8サイズ、容量20L以上の容器にはA6サイズのクリアケースが付属しており、識別ラベルや書類をセットできます。
カードケースの抜き差しが簡単

ホルダーの上部からカードケースを抜き差しできます。
ラベルや書類の差し替えが簡単です。
洗浄液などが溜まりにくい構造

ホルダーの下部には水抜き用の隙間があります。
洗浄液などが溜まりにくく衛生的です。
1台からカスタマイズできます
当社へ製作をご依頼いただくステンレス容器に、カードホルダーを追加できます。
差し込みたい書類やラベルなどのサイズに合わせて、ホルダーの位置や仕様の変更などのカスタマイズも可能です。
カードホルダーを採用したオーダーメイド事例
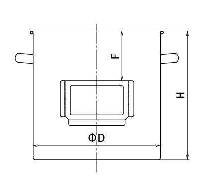
寸法参考図
サイズ表
| 型式 | 容量 | 質量 | 容器内径 | 容器内高 | カードホルダー | ホルダー位置 | 納期 |
|---|---|---|---|---|---|---|---|
| L | kg | D | H | サイズ | F | 日 | |
| CTH-CZ-24 | 10 | 2.2 | 240 | 240 | A8 | 110 | 7 |
| CTH-CZ-27 | 15 | 2.8 | 270 | 270 | A8 | 120 | 7 |
| CTH-CZ-30 | 20 | 3.3 | 300 | 300 | A6 | 120 | 7 |
| CTH-CZ-33 | 25 | 4.1 | 330 | 330 | A6 | 130 | 7 |
| CTH-CZ-36 | 36 | 5.3 | 360 | 360 | A6 | 130 | 7 |
| CTH-CZ-39 | 45 | 6 | 387 | 390 | A6 | 130 | 7 |
| CTH-CZ-39H | 50 | 7 | 387 | 480 | A6 | 150 | 7 |
| CTH-CZ-43 | 65 | 8.2 | 430 | 450 | A6 | 150 | 7 |
| CTH-CZ-43H | 70 | 8.7 | 430 | 520 | A6 | 150 | 7 |
| CTH-CZ-47 | 80 | 10.7 | 470 | 470 | A6 | 150 | 7 |
| CTH-CZ-47H | 100 | 12.4 | 470 | 600 | A6 | 150 | 7 |
- カードホルダーをオーダーメイドの容器に取り付けることはできますか。
可能です。特注のカードホルダーを取り付けた事例がございます。詳しくはお問い合わせください。
- 他のサイズでの製作は可能ですか。
オーダーメイドで対応可能です。詳しくはお問い合わせください。
- クリアケースは付属しますか。
付属しております。

お客様の要望に合わせた装置の提案を致します
MONOVATEでは貯蔵容器の設計もご対応します!お客様の用途や業界のニーズに合わせて設計段階から緊密にコミュニケーションをとりながら、最適な形状や材質、機能を提案し実現します。当社の豊富な経験と実績を活かし、業務効率や製品の安全性を最優先に考慮した特注の貯蔵容器をお届けいたします。どんな要望もお気軽にご相談ください。
同カテゴリーのカスタマイズ製品事例
- 容器内面 容量目盛マーキング【採用事例】凹凸が無く洗浄性に優れたマーキング目盛

容器の内面に、内容量が一目でわかるマーキングを施しました。
レーザーマーキングによる印字のため、容器内外面ともに無駄な凹凸がありません。
細部を洗い残すリスクを低減し、洗浄や乾燥に要する時間を削減します。
- 特注径のステンレス容器【採用事例】限られたスペースに対し最大限容量を確保するため 容器の高さと径をカスタマイズ

化学メーカー様納入
○容量重視でスペースに合わせて内径と高さを変更した、ステンレス容器のオーダーメイド事例です。
・限られたスペースで最大限の容量を確保するため、容量を変えずに内径と高さをカスタマイズしています。









